Vishay / Barry Industries ATC 3-Sided Wraparound Chip Attenuators

Vishay / Barry Industries ATC 3-Sided Wraparound Chip Attenuators offer DC to 5GHz stable attenuation performance, 0 to 30dB attenuation values, and 5W to 30W power ratings. These attenuators feature castellated wraparound terminals and are offered in sizes 2010 and 2525. Three substrate options are provided: Alumina, AlN, or BeO. Multiple substrate options ensure different power requirements can be accommodated. Various terminal metallization options are available to meet different application requirements. Vishay / Barry Industries ATC Attenuators are suitable for military and aerospace RADAR, radio communications, base stations, and satellite communication systems.

Features

  • Terminal material: matte tin over nickel over silver
  • Solder mountable
  • Robust thick film construction
  • RoHS compliant

Applications

  • Aerospace and military RADAR
  • Aerospace and military radio communications systems
  • Aerospace and military electronic warfare systems
  • Satellite communications systems
  • Base stations
  • Test and measurement

Specifications

  • 2010, 2525 case sizes
  • 0 to 30dB attenuation range
  • 5W to 30W W power range
  • Al2O3 (Alumina), AlN, and BeO substrate options
  • DC to 5GHz operating frequency range
  • -55°C to +155°C temperature range
  • 3-sided wraparound castellated termination

Derating Curve

Vishay / Barry Industries ATC 3-Sided Wraparound Chip Attenuators

Circuit Diagram

Vishay / Barry Industries ATC 3-Sided Wraparound Chip Attenuators

Configuration

Vishay / Barry Industries ATC 3-Sided Wraparound Chip Attenuators

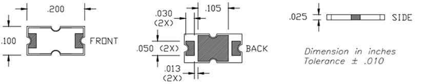
Dimensions

Vishay / Barry Industries ATC 3-Sided Wraparound Chip Attenuators
Publicado: 2022-09-26 | Actualizado: 2024-12-31