Texas Instruments UCC27289 120V Half-Bridge Drivers

Texas Instruments UCC27289 120V Half-Bridge Drivers are robust N-channel MOSFET drivers with a maximum switch node (HS) voltage rating of 100V. These devices allow two N-channel MOSFETs to be controlled in half-bridge or synchronous buck configuration-based topologies.

The TI UCC27289 Drivers feature a 3.5A peak sink current, 2.5A peak source current, and low pull-up and pull-down resistance. These features support driving large-power MOSFETs with minimum switching losses during the MOSFET Miller plateau transition. The UCC27289 can be used with analog and digital controllers since the inputs are independent of the supply voltage. Two inputs are entirely independent of each other, and thus, two outputs can be overlapped by overlapping inputs if needed. The enable and disable functionality provides additional system flexibility by reducing driver power consumption and responding to fault events within the system.

Protection features include under-voltage lockout (UVLO) for both the high-side and low-side driver stages, forcing the outputs to be low if the VDD voltage is below the specified threshold. An integrated bootstrap diode eliminates the need for an external discrete diode in many applications, saving board space and reducing system cost. UCC27289 is available in multiple packages to accommodate system requirements such as robustness in harsh environments and density in compact applications.

Features

  • Drives two N-channel MOSFETs in high-side, low-side configuration
  • Enable/disable functionality in the DRC package
  • Low current (7μA) consumption when disabled
  • 16ns typical propagation delay
  • 12ns rise, 10ns fall time with 1800pF load (typical)
  • 1ns typical delay matching
  • Integrated 100V bootstrap diode
  • 8V typical undervoltage lockout
  • Absolute maximum negative voltage handling on inputs (–5V)
  • Absolute maximum negative voltage handling on HS (–14V)
  • 3.5A sink, 2.5A source output currents
  • Absolute maximum boot voltage 120V
  • Inputs are independent of each other, and VDD
  • Under-voltage lockout for both channels
  • Specified from –40°C to 140°C junction temperature

Applications

  • Merchant network and server PSU
  • Merchant telecom rectifiers
  • DC input BLDC motor drive
  • Solar microinverters
  • Test and measurement equipment

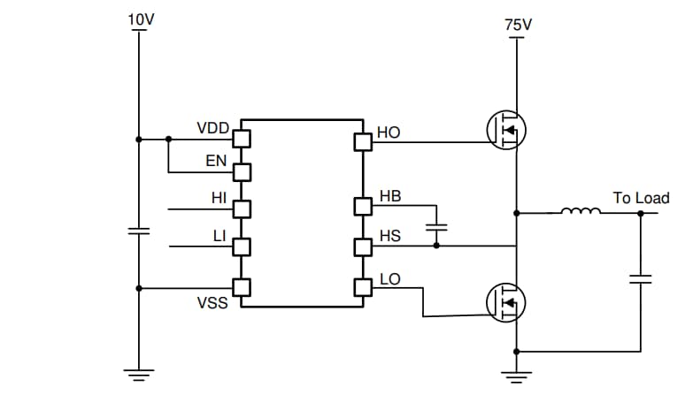
Simplified Application Diagram

Application Circuit Diagram - Texas Instruments UCC27289 120V Half-Bridge Drivers
Publicado: 2020-12-28 | Actualizado: 2024-10-29