Texas Instruments TXB0104/TXB0104-Q1 4-Bit Voltage-Level Shifters

Texas Instruments TXB0104/TXB0104-Q1 4-Bit Bidirectional Voltage-Level Shifters use two separate configurable power-supply rails. The A port is designed to track VCCA, which accepts any supply voltage from 1.2V to 3.6V. The B port is designed to track VCCB, which accepts any supply voltage from 1.65V to 5.5V. This feature allows universal low-voltage bidirectional translation between 1.2V, 1.5V, 1.8V, 2.5V, 3.3V, and 5V voltage nodes. VCCA must not exceed VCCB.

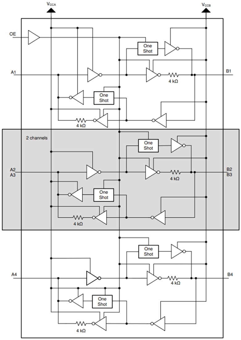
When the OE input is low, all outputs are placed in a high-impedance state. To ensure the high-impedance state during power up or power down, OE must be tied to GND through a pulldown resistor. The driver's current sourcing capability determines the resistor's minimum value. The Texas Instruments TXB0104 is designed so that the OE input circuit is supplied by VCCA. This device is fully specified for partial-power-down applications using IOFF. The IOFF circuitry disables the outputs, preventing damaging current backflow through the device when powered down.

The TXB0104-Q1 is AEC-Q100 qualified for automotive applications.

Features

  • Qualified for automotive applications
    • AEC-Q100 qualified with the following results
    • Device temperature grade 1of -40°C to +125°C ambient operating temperature range
  • 1.2V to 3.6V on A Port and 1.65V to 5.5V on B Port (VCCA ≤ VCCB)
  • VCC isolation feature (if either VCC input is at GND, all outputs are in the high-impedance state)
  • Output Enable (OE) input circuit referenced to VCCA
  • Low power consumption, 5µA maximum ICC
  • IOFF supports partial power-down mode operation
  • Latch-up performance exceeds 100mA per JESD 78, Class II
  • ESD protection exceeds JESD 22
    • A Port
      • 2500V human-body model (A114-B)
      • 1500V charged-device model (C101)
    • B Port
      • ±15kV human-body model (A114-B)
      • 1500V charged-device model (C101)

Applications

  • Headsets
  • Smartphones
  • Tablets
  • Desktop PC

Functional Block Diagram

Block Diagram - Texas Instruments TXB0104/TXB0104-Q1 4-Bit Voltage-Level Shifters
Publicado: 2020-12-15 | Actualizado: 2025-08-21