Texas Instruments TPS65265 Triple Buck Converter
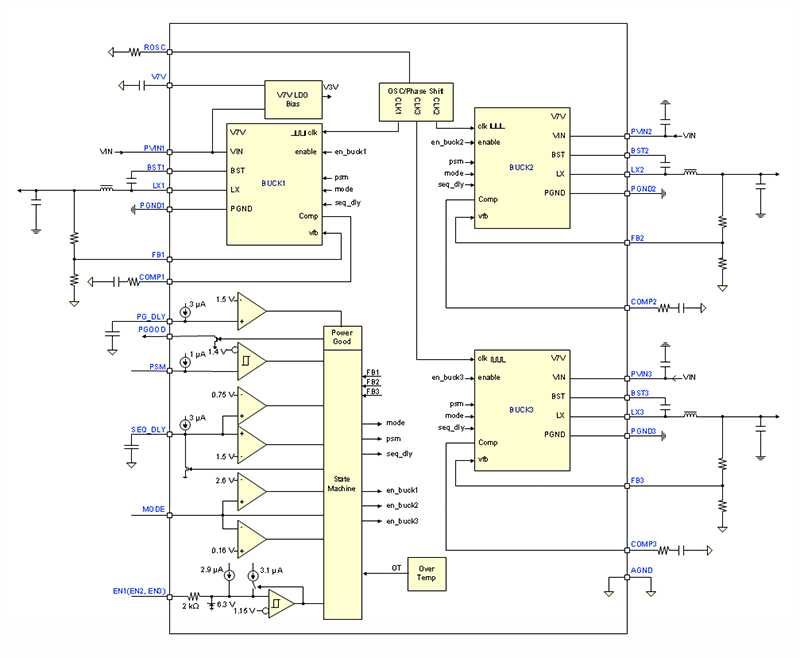
Texas Instruments TPS65265 Triple Buck Converters incorporate triple synchronous buck converters with a wide 4.5V to 17V input range. This encompasses most intermediate bus voltages operating off 5V, 9V, 12V, or 15V power bus or battery. The converters are designed to simplify application use with constant frequency peak current mode. This is done while giving designers options to optimize the system according to targeted applications. The switching frequency of the converters can be adjustable from 250kHz to 2.3MHz with an external resistor or external clock. 120° out-of-phase operation between Buck1, Buck2, and Buck3 minimize input filter requirements.Features
- Operating input voltage range from 4.5V to 17V
- Feedback reference voltage of 0.6V ±1.33%
- Continuous output current of 5A/3A/2A
- Adjustable clock frequency from 250kHz to 2.3MHz
- External synchronization oscillator
- 120° out of phase for Buck1, Buck2, and Buck3
- Dedicated enable pins for each buck
- Fixed SS time for each buck (2.4ms)
- Automatic power-up/-down sequence and adjustable interval time between bucks (6 combinations)
- Support Pulse Skipping Mode (PSM) and Forced Continuous Current Mode (FCCM)
- Output voltage power good indicator and adjustable delay time
- Thermal overloading protection
- 32-Pin QFN (RHB), 5mm × 5mm package
Applications
- DTV
- Set-top boxes and OTT
- Home gateway and access point networks
- Surveillance
Simplified Application Circuit
Block Diagram
Additional Resources
Publicado: 2016-01-15
| Actualizado: 2022-03-11
