Texas Instruments TPS22975 Load Switches

Texas Instruments TPS22975 Load Switches are single-channel load switch that provides a configurable rise time to minimize inrush current. Each device contains an N-channel MOSFET that can operate over an input voltage range of 0.6V to 5.7V and support a maximum continuous current of 6A. Each switch is controlled by an on and off input (ON), which is capable of interfacing directly with low-voltage control signals. TPS22975 has an optional 230Ω on-chip load resistor for quick output discharge when the switch is turned off. The Texas Instruments TPS22975 is available in a small, space-saving 2mm × 2mm 8-pin SON package with an integrated thermal pad allowing high power dissipation.

Features

  • Integrated single-channel load switch
  • 0.6V to VBIAS input voltage range 
  • 2.5V to 5.7V VBIAS voltage range 
  • On-Resistance (RON)
    • RON = 16mΩ (typical) at VIN = 0.6V to 5.7V, VBIAS = 5.7V
  • 6A maximum continuous switch current
  • Low quiescent current
    • 37µA (typical) at VIN = VBIAS = 5V
  • Low-control input threshold enables the use of 1.2V, 1.8V, 2.5V, and 3.3V logic
  • Configurable rise time
  • Thermal shutdown
  • Quick-Output Discharge (QOD) (optional)
  • SON 8-pin package with thermal pad
  • ESD performance tested per JESD 22
    • 2000V HBM and 1000V CDM

Applications

  • Ultrabook™
  • Notebooks and netbooks
  • Tablet PC
  • Consumer electronics
  • Set-top boxes and residential gateways
  • Telecom systems
  • Solid State Drives (SSDs)

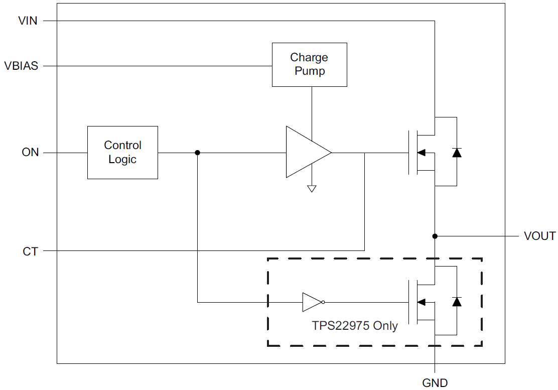
Functional Block Diagram

Block Diagram - Texas Instruments TPS22975 Load Switches
Publicado: 2017-03-02 | Actualizado: 2022-04-05