Texas Instruments TPIC2010 Serial I/F Controlled Motor Driver

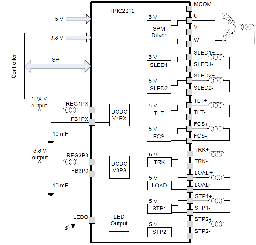
Texas Instruments TPIC2010 Serial I/F Controlled Motor Driver is a very-low noise type motor driver IC suitable for slim or ultra-slim ODD. The 9-channel driver IC is controlled by serial I/F. The serial I/F is optimal for driving a spindle motor, a sled motor (stepping motor applicable), a load motor, and focus/tracking/tilt actuators and stepping motor for collimator lens. The Texas Instruments TPIC2010 includes 2-channel synchronous DC-DC converters. The discontinuous regulation mode on the DC-DC converter improves efficiency at low power consumption significantly. The spindle motor driver uses BEMF feedback for startup, control, and low-noise operation without external sensors.

Features

  • Serial peripheral interface
    • Maximum read/write 35MHz
    • 3.3V digital I/O
  • Actuator and motor driver
    • PWM control with H-bridge output
    • Focus/tracking/tilt actuator driver with DAC control
    • Sled motor drivers with current mode, 10-bit DAC control
    • Load driver with 12-bit DAC control
    • Stepping motor driver with 8-bit PWM control
    • End position detector for collimator lens, sled without position sensor
  • Spindle motor driver
    • Sensor-less BEMF position feedback
    • 12-bit spindle DAC
    • Self-contained inductive position sense and startup
    • A quick stop by automatic controlled brake (active brake and short brake)
    • 0.7A maximum continuous current excluding thermal issues
    • LS mode: 25% speed
  • On-chip thermometer (15°C to 172.5°C)
  • Switch
    • Two switch circuits controllable by software
    • LED (switch for LED driver with 0.1A OCP)
    • CSW (low RDS(ON) current switch with 0.1A OCP
  • DC-DC converter
    • V1Px: pin-selectable conversion voltage 1.0V/1.2V/1.5V; 0.9A output capability with 1.85A overcurrent protection
    • V3P3: fixed 3.3V DC-DC converter; 0.5A output capability with 1.15A overcurrent protection
    • 2.5MHz switching frequency
    • Improved efficiency at low current with discontinuous regulation mode
  • Protection
    • Individual thermal protect circuit on LED/CSW, switch, DC-DC converter, SPM, and actuator
    • Two alert levels (pre-detect and detect in thermal protection)
    • ACTTEMP: monitor the actuator temperature calculated from integrated the DAC value set up in the past
    • Undervoltage Lockout (UVLO) and Overvoltage Protection (OVP)

Applications

  • Blu-ray™ player
  • DVD player
  • CD player
  • Optical disk drive

Simplified Block Diagram

Block Diagram - Texas Instruments TPIC2010 Serial I/F Controlled Motor Driver
Publicado: 2016-05-09 | Actualizado: 2022-03-11