Texas Instruments TPA3223 Mono HD Analog-Input, Class-D Amplifier

Texas Instruments TPA3223 Mono HD Analog-Input, Class-D Amplifier provides an efficient operation at full power, idle, and standby. The TPA3223 has closed-loop feedback allowing low distortion across the audio band and delivering excellent sound quality. The TPA3223 operates in AD modulation and drives up to 2 x 200W into 4Ω load or 1 x 400W into 2Ω load.

The TI TPA3223 Class-D amplifier supplies a single-ended or differential analog-input interface that supports up to 2VRMS with four selectable gains of 20dB, 23.5dB, 32dB, and 36dB. The TPA3223 achieves >90% efficiency, low idle, and ultra-low standby power (<0.1W). These features are possible using 60mΩ MOSFETs, an optimized gate drive scheme, and low-power operating modes.

The TPA3223 integrates essential protection features, including undervoltage, overvoltage, cycle-by-cycle current limit, short circuit, clipping detection, overtemperature warning and shutdown, and DC speaker protection.

Features

  • Wide 10V to 42V supply voltage range
  • Stereo (2 x BTL) and mono (1 x PBTL) configurations
  • Output power at 10% THD+N
    • 200W Stereo into 4Ω in BTL configuration
    • 300W Mono into 3Ω in PBTL configuration
    • 425W Mono into 2Ω in PBTL configuration
  • Output power at 1% THD+N
    • 170W Stereo into 4Ω in BTL configuration
    • 325W Mono into 2Ω in PBTL configuration
  • Closed-loop feedback design
    • <0.02% THD+N at 1W into 4Ω
    • 60dB PSRR (BTL, No input signal)
    • <100µV output noise (A-weighted)
    • >110dB SNR (A-weighted)
  • Low-power operating modes
    • Standby modes of mute and shutdown
    • Single-channel BTL operation
  • Multiple input options to simplify pre-amp design
    • Differential or single-ended analog inputs
    • 20dB, 23.5dB, 32dB, and 36dB Selectable gains
  • Integrated protections include undervoltage, overvoltage, overcurrent, cycle-by-cycle current limit, short circuit, clipping detection, overtemperature warning and shutdown, and DC speaker protection
  • Easily synchronize multiple devices
  • 90% Efficient Class-D operation (4Ω)

Applications

  • BLUETOOTH® and Wi-Fi™ speakers
  • Soundbars
  • Subwoofers
  • Professional and public address (PA) speakers

Simplified Schematic

Schematic - Texas Instruments TPA3223 Mono HD Analog-Input, Class-D Amplifier

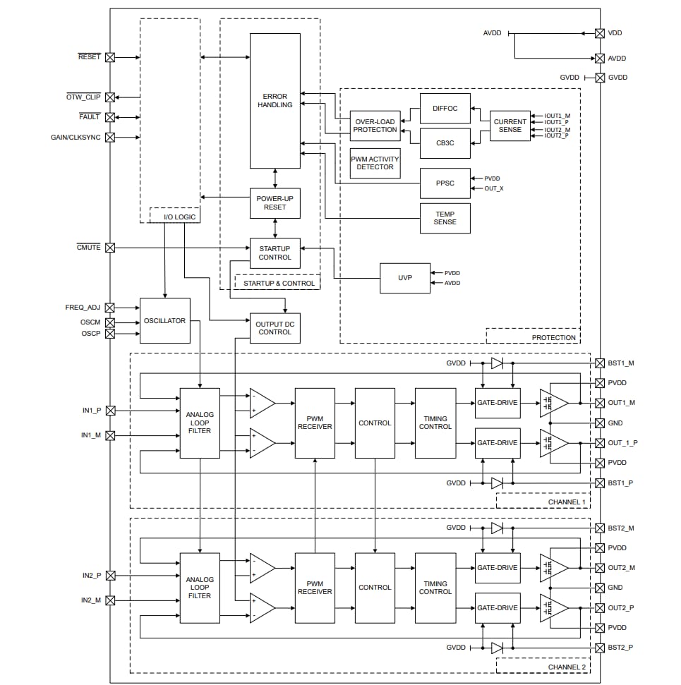
Block Diagram

Block Diagram - Texas Instruments TPA3223 Mono HD Analog-Input, Class-D Amplifier

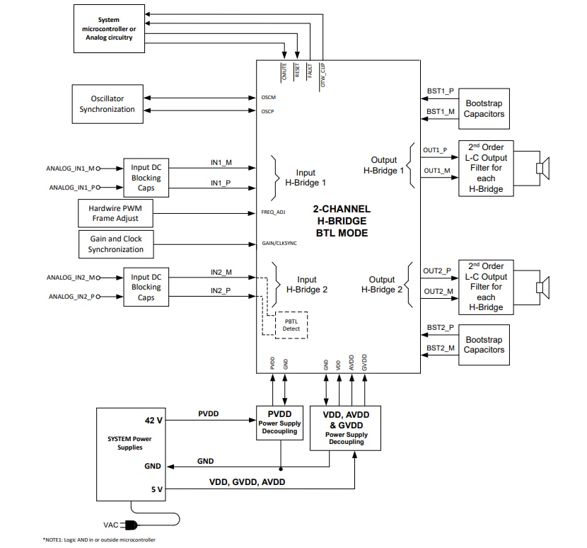
System Block Diagram

Block Diagram - Texas Instruments TPA3223 Mono HD Analog-Input, Class-D Amplifier
Publicado: 2022-12-23 | Actualizado: 2023-01-26