Texas Instruments TPA3220 50W Stereo/100W Peak Class-D Amplifiers
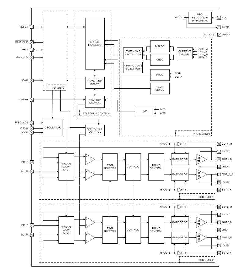
Texas Instruments TPA3220 50W Stereo/100W Peak HD Analog-Input Pad-Down Class-D Amplifiers offer an efficient operation with available power, idle and standby modes. A closed-loop feedback with bandwidth up to 100kHz is featured, providing low distortion across the audio band and delivering excellent sound quality. The device operates with either AD or low idle-current HEAD (High-Efficiency AD) modulation. This allows a continuous drive up to 2 x 60W or 2 x 110W peak into the 4Ω load with the thermal pad on the bottom connected to the PCB. Multiple inputs are available using a single-ended or differential analog-input interface with selectable gains of 18dB, 24dB, 30dB, and 34dB to simplify the pre-amp design. Using 70mΩ MOSFETs, an optimized gate drive scheme, and low-power operating modes, the TPA3220 achieves >90% efficiency, low idle power (<0.25W), and ultra-low standby power (<0.1W). The device integrates essential protection features, including undervoltage, cycle-by-cycle current limit, short circuit, clipping detection, overtemperature warning, shutdown, and DC speaker protection, further simplifying the design.Features
- Stereo (2 x BTL) and Mono (1 x PBTL) operation
- Output power at 10% THD+N
- 60W Stereo continuous into 8Ω in BTL
- 110W Stereo peak into 4Ω in BTL
- Output power at 10% THD+N
- Output power at 1% THD+N
- 50W Stereo continuous into 8Ω in BTL
- 89W Stereo peak into 4Ω in BTL
- 5V Gate drive or built-in LDO for optional single-supply operation
- Closed-loop feedback design
- Signal bandwidth up to 100kHz for high-frequency content from HD sources
- 0.02% THD+N at 1W into 4Ω
- 60dB PSRR (BTL, No input signal)
- <72µV Output noise (A-Weighted)
- >108dB SNR (A-Weighted)
- AD or HEAD Modulation schemes
- Low-power operating modes
- Standby modes, including mute and low idle-current HEAD modulation scheme
- Single-channel BTL operation
- Multiple input options to simplify pre-amp design
- Differential or single-ended analog inputs
- 18dB, 24dB, 30dB, 34dB Selectable gains
- Integrated protection, including undervoltage, cycle-by-cycle current limit, short circuit, clipping detection, overtemperature warning and shutdown, and DC speaker protection
- 90% Efficient Class-D operation (4Ω)
- Thermal pad is located on the package's bottom
- Pin-compatible family of devices with voltage and power-level options
Applications
- BLUETOOTH® and Wi-Fi™ speakers
- Sound bars
- Subwoofers
- Bookshelf stereo systems
- Professional and Public Address (PA) speakers
Block Diagram
Publicado: 2018-08-08
| Actualizado: 2023-02-06
