Texas Instruments THVD14xx RS-485/RS-422 Transceivers
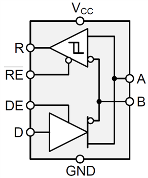
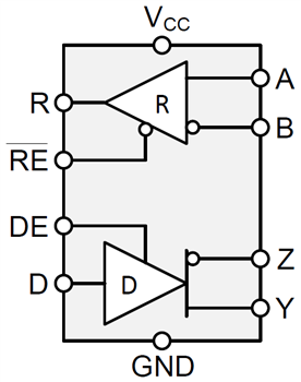
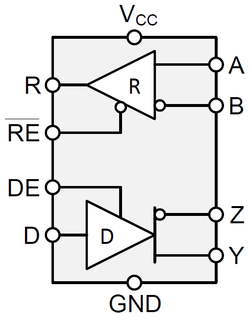
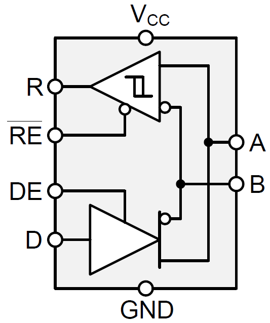
Texas Instruments THVD14xx RS-485/RS-422 Transceivers are noise-immune transceivers designed to operate in rugged industrial environments. The bus pins of these devices are robust to high levels of IEC electrical fast transients (EFT) and IEC electrostatic discharge (ESD) events, eliminating the need for additional system-level protection components. Each of these devices operates from a single supply between 3V and 5.5V. These Texas Instruments THVD14xx devices feature an extended common-mode voltage range, making them suitable for multi-point applications over long cable runs.Features
- Meets or exceeds the requirements of the TIA/EIA-485A standard
- 3V to 5.5V supply voltage
- Bus I/O ESD protection
- ±30kV HBM
- ±18kV IEC 61000-4-2 contact discharge
- ±18kV IEC 61000-4-2 air-gap discharge
- ±4kV IEC 61000-4-4 fast transient burst
- ±15V extended operational common-mode range
- Low EMI 500kbps and 50Mbps data rates
- Large receiver hysteresis for noise rejection
- Low power consumption
- < 1µA standby supply current
- < 3mA current during operation
- –40°C to 125°C extended ambient temperature range
- Glitch-free power-up/down for hot plug-in capability
- Open, short, and idle bus failsafe
- 1/8 unit load (up to 256 bus nodes)
- Small-size VSON and VSSOP packages save board space or SOIC for drop-in compatibility
Applications
- Motor drives
- Factory automation and control
- Grid infrastructure
- Building automation
- HVAC systems
- Video surveillance
- Process analytics
- Wireless infrastructure
Publicado: 2018-06-04
| Actualizado: 2023-02-09
