Texas Instruments TAS5630B 300W Stereo Class D Amplifier

Texas Instruments TAS5630B 300W Stereo Class D Amplifier is a high-performance analog-input device with integrated closed-loop feedback PurePath HD technology. TAS5630B Class D Amplifier can drive up to 300W stereo into 4Ω to 8Ω speakers from a single 50V supply. PurePath HD technology enables traditional AB-amplifier performance (<0.03% THD) levels while providing the power efficiency of traditional class-D amplifiers. Unlike traditional class-D amplifiers, the TAS5630B has a distortion curve that does not increase until the output levels move into clipping. This Texas Instruments stereo Class D amplifier is ideal for use in a variety of applications, including mini combo systems, AV receivers, DVD receivers, and active speakers.

Features

  • PurePath™ HD Enabled Integrated Feedback Provides:
    • Signal Bandwidth up to 80kHz for High-Frequency Content From HD Sources
    • Ultra-low 0.03% THD at 1W into 4Ω
    • Flat THD at all Frequencies for Natural Sound
    • 80dB PSRR (BTL, No Input Signal)
    • > 100dB (A-weighted) SNR
    • Click-and-Pop-Free Start-Up
  • Multiple Configurations Possible on the Same PCB With Stuffing Options:
    • Mono Parallel Bridge-Tied Load (PBTL)
    • Stereo Bridge-Tied Load (BTL)
    • 2.1 Single-Ended Stereo Pair and Bridge-Tied Load Subwoofer
    • Quad Single-Ended Outputs
  • Total Output Power at 10% THD+N
    • 400W in Mono PBTL Configuration
    • 300W per Channel in Stereo BTL Configuration
    • 145W per Channel in Quad Single-Ended Configuration
  • High-Efficiency Power Stage (>88%) With 60mΩ Output MOSFETs

Applications

  • Mini Combo System
  • AV Receivers
  • DVD Receivers
  • Active Speakers

Application Schematic

Schematic - Texas Instruments TAS5630B 300W Stereo Class D Amplifier

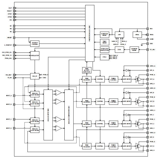
Functional Block Diagram

Block Diagram - Texas Instruments TAS5630B 300W Stereo Class D Amplifier
Publicado: 2012-03-19 | Actualizado: 2020-12-11