Texas Instruments SN74AC596/SN74AC596-Q1 SIPO Shift Registers
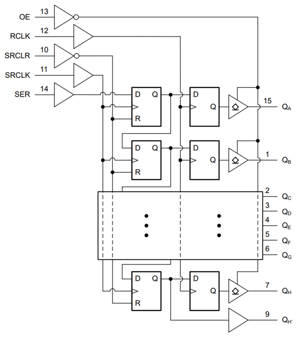
Texas Instruments SN74AC596/SN74AC596-Q1 SIPO Shift Registers contain an 8-bit, serial-in, parallel-out (SIPO) shift register that feeds an 8-bit D-type storage register. The storage register has parallel open-drain outputs. Separate clocks are provided for both the storage and shift register. The shift register has a serial (SER) input, a direct overriding clear (SRCLR\) input, and a serial output (QH’) for cascading. When the output-enable (OE\) input is high, the outputs are in a high-impedance state. The internal register data is not impacted by the operation of the OE\ input. The Texas Instruments SN74AC596-Q1 devices are AEC-Q100 qualified for automotive applications.Features
- Wide operating range of 1.5V to 6V
- Inputs accept voltages up to 6V
- Continuous ±24mA output drive at 5V
- Supports up to ±75mA output drive at 5VIN short bursts
- Drives 50Ω transmission lines
- Maximum tpd of 11.4ns at 5V, 50pF load
Applications
- Increase the number of outputs on a microcontroller
- Store up to 8 bits of data temporarily
Additional Resources
- SN74AC596 Datasheet
- SN74AC596-Q1 Datasheet
- Application Note: Implications of Slow or Floating CMOS Inputs
- Selection Guide: Logic Guide
- Application Note: Understanding and Interpreting Standard-Logic Data Sheets
- User Guide: LOGIC Pocket Data Book
- Application Note: Designing With Logic
- Application Note: Using High Speed CMOS and Advanced CMOS in Systems With Multiple Vcc
- Advanced Driver Assistance Systems (ADAS)
Functional Block Diagram
Publicado: 2025-03-25
| Actualizado: 2025-05-06
