Texas Instruments OPAx863/OPAx863-Q1 Low Power High-Speed Op Amps
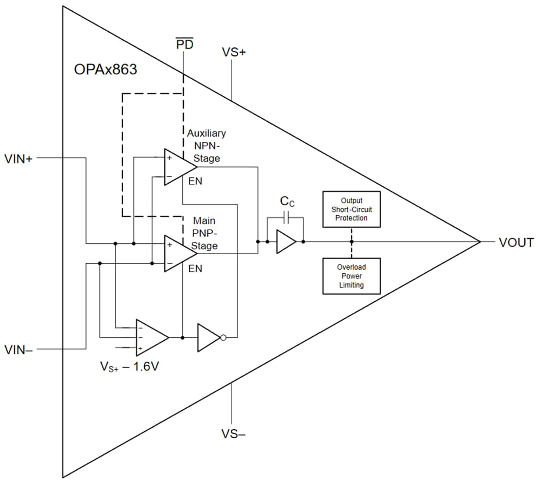
Texas Instruments OPAx863/OPAx863-Q1 Low Power High-Speed Operational Amplifiers (Op Amps) are unity-gain stable, rail-to-rail input or output, voltage-feedback operational amplifiers. These devices are designed to operate over a power supply range of 2.7V to 12.6V. Consuming only 700µA per channel, the OPAx863 devices offer a gain-bandwidth product of 50MHz, a slew rate of 105V/µs, with a voltage noise density of 5.9nV/√Hz.With a 2.7V supply operation, the rail-to-rail input stage is useful in portable battery-powered applications. The differential input stages are well matched for gain-bandwidth product and noise across the full input common-mode voltage range, enabling superior performance with a wide-input dynamic range. The OPA863 features a power-down (PD) mode with a PD quiescent current of 1.5µA (maximum) with turn-on or turn-off within 10µs (typical).
The Texas Instruments OPAx863A/OPAx863-Q1 devices include overload power limiting to limit the increase in quiescent current with saturated outputs, thereby preventing excessive dissipation critical in battery-powered systems. The output stage is short-circuit protected, making it a rugged amplifier for general-purpose usage. The OPAx863-Q1 devices are AEC-Q100 qualified for automotive applications.
Features
- Wide-bandwidth
- 110MHz (AV = 1V/V) unity-gain bandwidth
- 50MHz gain-bandwidth product
- Low power
- 700µA/ch (typical) quiescent current
- 1.5µA (maximum) power-down mode
- 2.7V to 12.6V supply voltage
- 5.9nV/√Hz input voltage noise
- 105V/µs slew rate
- Rail-to-rail input and output
- HD2/HD3 (–129dBc/–138dBc at 20kHz (2VPP))
- –40°C to +125°C operating temperature range
- Additional features:
- Overload power limit
- Output short-circuit protection
Applications
- Low-power SAR and ΔΣ ADC driver
- ADC reference buffer
- Low-side current sensing
- Photodiode TIA interface
- Inductive sensing
- Ultrasonic flowmeters
- Multi-function printers
- MDAC output buffer
- Gain & active filter stages
Functional Block Diagram
