Texas Instruments LMR36500 Synchronous Buck Converter
Texas Instruments LMR36500 Synchronous Buck Converter is an ultra-small, 3V to 65V wide input voltage range step-down DC/DC converter in a 4mm2 HotRod package. This converter provides excellent EMI performance, handles up to 70V input voltage transients, and supports fixed 3.3V and 5V adjustable output voltages. The LMR36500 converter is designed to operate over a wide range of duty ratios and a switching frequency range of 200kHz to 2.2MHz. This synchronous buck converter features an EN/UVLO that allows precise device control during start-up and shutdown. The PGOOD flag comes with a built-in glitch filter and delayed release that accurately indicates the system status, eliminating the requirement for an external voltage supervisor. Typical applications include field transmitters and process sensors, HVAC and fire safety notifications and detectors, garden and power tools, and portable electronics.Features
- Designed for rugged industrial applications:
- -40°C to 150°C junction temperature range
- Up to 70V input transient capability
- 3V (falling threshold) to 65V wide input voltage range
- Minimized switch node ringing to reduce EMI
- Adjustable and fixed output 3.3V and 5V voltage options available
- Designed for scalable industrial power supplies:
- Pin compatible with LMR36503 (65V, 300mA) and LMR36506 (65V, 600mA)
- 200kHz to 2.2MHz with RT pin variant adjustable switching frequency
- High efficiency across load range with low power dissipation:
- Greater than 80% peak efficiency at 1MHz (3.3V VOUT)
- Ultra-small, 2mm × 2mm HotRod™ package
Applications
- Factory automation:
- Field transmitters and process sensors
- Building automation:
- HVAC and fire safety notification and detectors
- Appliances:
- Garden and power tools
- Portable electronics:
- Headphones and earbuds
Efficiency Vs Output Current
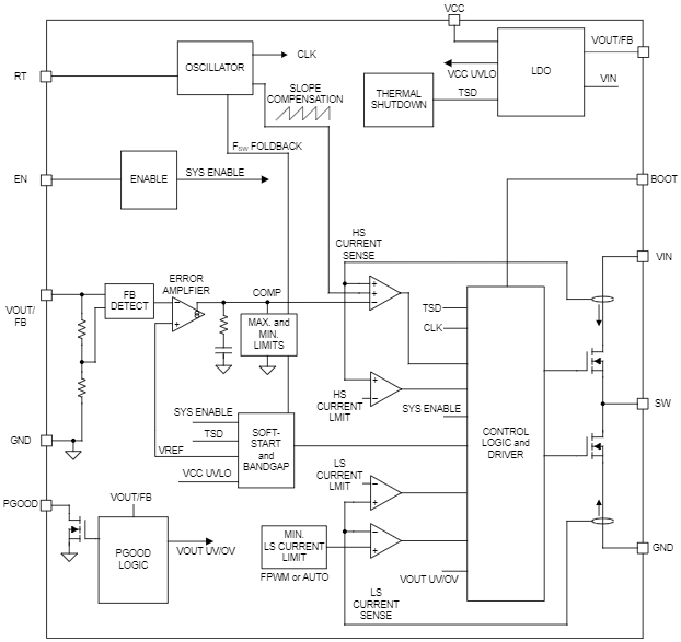
Functional Block Diagram
Publicado: 2024-01-10
| Actualizado: 2025-03-05
