Texas Instruments LM5122EVM-2PH Controller Evaluation Module (EVM)

Texas Instruments LM5122EVM-2PH Controller Evaluation Module (EVM) provides the design engineer with a fully functional dual-phase synchronous boost converter to evaluate the LM5122. The LM5122 is a 3-65V Wide Vin current mode synchronous boost controller with multi-phase capability. The evaluation module provides 28V output at up to 7A current from a 9V to 20V input. The Texas Instruments LM5122EVM-2PH is designed to start up from a single power supply without any additional bias voltage.

Features

  • 9V to 20V input range
  • 28V/7.0A output
  • 250kHz switching frequency
  • Pulse skipping at light load
  • Dual-phase interleaved operation

Required Equipment

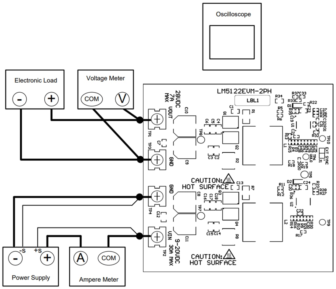
  • Power Supply
    • The power supply should be capable of 20V/25A, current monitoring, and remote sensing
  • Electronic Load
    • The electronic load should be capable of 32V/7A (use Constant Current (CC) mode)
  • Oscilloscope
    • Oscilloscope and 10x probe with at least 20MHz bandwidth are required
  • Meters
    • One current meter is required to measure input current accurately
    • The maximum current rating of the meter should be carefully considered
    • The input current can be as high as 25A at full load current and minimum input voltage
    • The output voltage is monitored by a voltage meter which should be capable of monitoring up to 32V

Test Setup

Mechanical Drawing - Texas Instruments LM5122EVM-2PH Controller Evaluation Module (EVM)
Publicado: 2016-08-17 | Actualizado: 2022-03-11