Texas Instruments DS90UB949A-Q1 HDMI-to-FPD-Link III Serializers

Texas Instruments DS90UB949A-Q1 2K HDMI-to-FPD-Link III Bridge Serializers supplies 1-lane or 2-lane high-speed serial streams over cost-effective, 50Ω single-ended coaxial, or 100Ω differential shielded twisted-pair (STP) and shielded twisted quad (STQ) cables when paired with the DS90UB940-Q1/DS90UB948-Q1. The DS90UB949A-Q1 can serialize an HDMI v1.4b input to support video resolutions up to 2880x1080 at 60Hz with 24-bit color depth.

The FPD-Link III interface supports video and audio data transmissions and full-duplex control over the same differential link, including I2C and SPI communication. Video data consolidation and control over two differential pairs can decrease the interconnect size and the application's weight and simplify system design. Using low-voltage differential signaling, data scrambling, and randomization minimizes EMI. In backward-compatible mode, the device supports up to 1920x720 resolution with 24-bit color depth over a single differential link when paired with the DS90Ux92x-Q1 deserializers.

The DS90UB949A-Q1 supports multi-channel audio received through an external I2S interface with an optional auxiliary audio interface. The Texas Instruments DS90UB949A-Q1 Serializers are AEC-Q100 qualified for automotive applications.

Features

  • AEC-Q100 qualified for automotive applications
    • Device temperature grade 2 of -40°C to +105°C, TA
  • Supports TMDS clock frequencies up to 210MHz for 3K (2880x1620) at 30Hz, QXGA (2048x1536), 2K (2880x1080), WUXGA (1920x1200), or 1080p60 with 24-bit color depth
  • Single and dual FPD-Link III outputs support STP, STQ, or coax cables
  • High-definition multimedia (HDMI) v1.4b compatible inputs
  • HDMI-mode DisplayPort (DP++) inputs
  • HDMI audio extraction for up to 8 channels
  • High-speed backchannel supporting GPIO up to 2Mbps
  • Tracks spread spectrum input clock to reduce EMI
  • I2C (master/slave) with 1Mbps fast-mode plus
  • SPI pass-through interface
  • Backward compatible with DS90UB926Q-Q1, DS90UB928Q-Q1, and DS90UB924-Q1 FPD-Link III deserializers

Applications

  • Automotive infotainment and cluster
  • Automotive head unit
  • Automotive rear seat entertainment display
  • Automotive center information display
  • Commercial vehicle instrument cluster
  • Automotive media hub
  • Audio/video control system

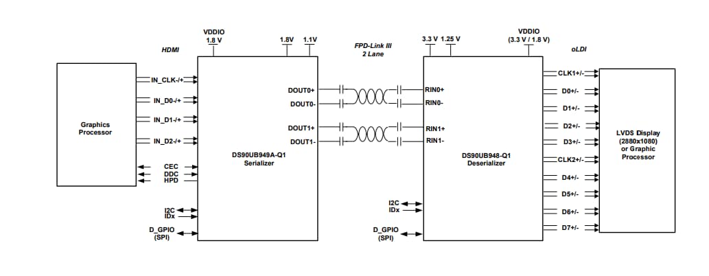
Application Circuit Diagram

Application Circuit Diagram - Texas Instruments DS90UB949A-Q1 HDMI-to-FPD-Link III Serializers
Publicado: 2019-11-13 | Actualizado: 2024-01-31