Texas Instruments DRV816x Half-Bridge Smart Gate Drivers
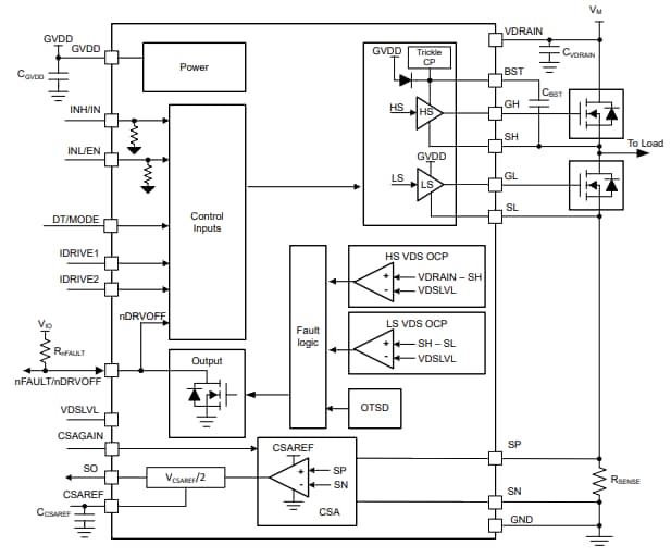
Texas Instruments DRV816x Half-Bridge Smart Gate Drivers are integrated 100V devices capable of driving high-side and low-side N-channel MOSFETs. This driver integrates a bidirectional low-side current sense amplifier for current feedback to the controller Analog-to-Digital Converter (ADC). The DRV816x drivers support a 100% Pulse Width Module (PWM) duty cycle with an integrated trickle charge pump. These drivers feature a smart gate drive architecture that supports a 16-level gate drive peak current up to 1A source and 2A sink. The DRV816x drivers also feature a 13-level VDS overcurrent threshold, independent shutdown pin (nDRVOFF), and 20ns to 900ns adjustable PWM dead time insertion. This driver is used in mobile robots, drones, E-bikes, E-mobilities, and linear motor transport systems.Features
- Drives two N-channel MOSFETs on a half-bridge configuration
- High-side MOSFET source/drain up to 102V (absolute maximum)
- 8V (5V DRV8162L) to 20V gate drive power supply
- Integrated bootstrap diode
- Functional safety quality-managed with documentation available to aid functional safety system design
- Supports 100% PWM duty cycle with an integrated trickle charge pump
- 16-level gate drive peak current
- 16mA - 1000mA source current
- 32mA - 2000mA sink current
- Source-sink current ratio 1:1, 1:2, 1:3
- Adjustable PWM dead time insertion 20ns - 900ns
- Robust design for motor phase (SH) switching
- Slew rate 50V/ns
- Negative transient voltage -20V
- 2A strong gate pull down
- Split gate drive supply inputs for redundant shutdown (DRV8162, DRV8162L)
- Low-offset current sense amplifier (DRV8161) with adjustable gain (5, 10, 20, 40V/V)
- Flexible PWM control interface; 2-pin PWM, 1-pin PWM, and independent PWM mode
- 13-level VDS over the current threshold
- Independent shutdown pin (nDRVOFF)
- Gate driver soft shutdown sequence
- Integrated protection features
- GVDD under voltage (GVDDUV)
- Bootstrap under voltage (BST_UV)
- MOSFET over current protection (VDS)
- Shoot through protection
- Thermal shutdown (OTSD)
- Fault condition indicator (nFAULT)
- Supports 3.3V, and 5V logic inputs
Applications
- Mobile robots (AGV/AMR)
- Drones
- Servo drives
- Industrial and collaborative robots
- Linear motor transport systems
- E-bikes, E-scooters, and E-mobility
Functional Block Diagram
Application Circuit Diagram
Additional Resource
Publicado: 2025-01-21
| Actualizado: 2025-05-06
