Texas Instruments DLPC3437CZEZ DLP Display Controllers

Texas Instruments DLPC3437CZEZ DLP® Display Controllers are part of the DLP3310 chipset, ensuring a small form factor, low-power, and high-resolution full HD displays. The device allows reliable operation of the DLP3310 digital micromirror device (DMD). The display controller supports image sizes up to 1080p and a low-power DMD interface with training. Pixel data processing from the IntelliBright™ Suite of image processing algorithms supports content adaptive illumination control and brightness boost in a local area.

Features

  • Compatible with the DLPA3000 PMIC/LED driver
  • Auto DMD parking at power down
  • Embedded frame memory (eDRAM)
  • Display controller for DLP3310 (.33 1080p) TRP DMD
    • Dedicated 2xDLPC3437 controller to drive DLP3310 DMD
    • Supports input image sizes up to 1080p
    • Low-power DMD interface with interface training
  • 24-Bit, Input pixel interface support:
    • Parallel interface
    • Pixel clock up to 150MHz
  • Dual FPD-link input pixel interface support:
    • LVDS Interface
    • Effective pixel clock up to 150MHz
  • Pixel data processing:
    • IntelliBright™ suite of image processing algorithms
      • Content adaptive illumination control
      • Local area brightness boost
    • Color coordinate adjustment
    • Programmable degamma
    • Active power management processing
  • Package:
    • 201-Pin, 13mm × 13mm, 0.8mm Pitch, NFBGA
  • External flash support
  • System features:
    • I2C Control of device configuration
    • Programmable splash screens
    • Programmable LED current control
    • One frame latency

Applications

  • Mobile smart TVs
  • Screenless TVs
  • Gaming displays
  • Digital signage
  • Wearable displays
  • Pico projectors
  • Interactive displays
  • Ultra mobile displays
  • Smart home displays
  • 3D Machine vision
  • 3D Printers

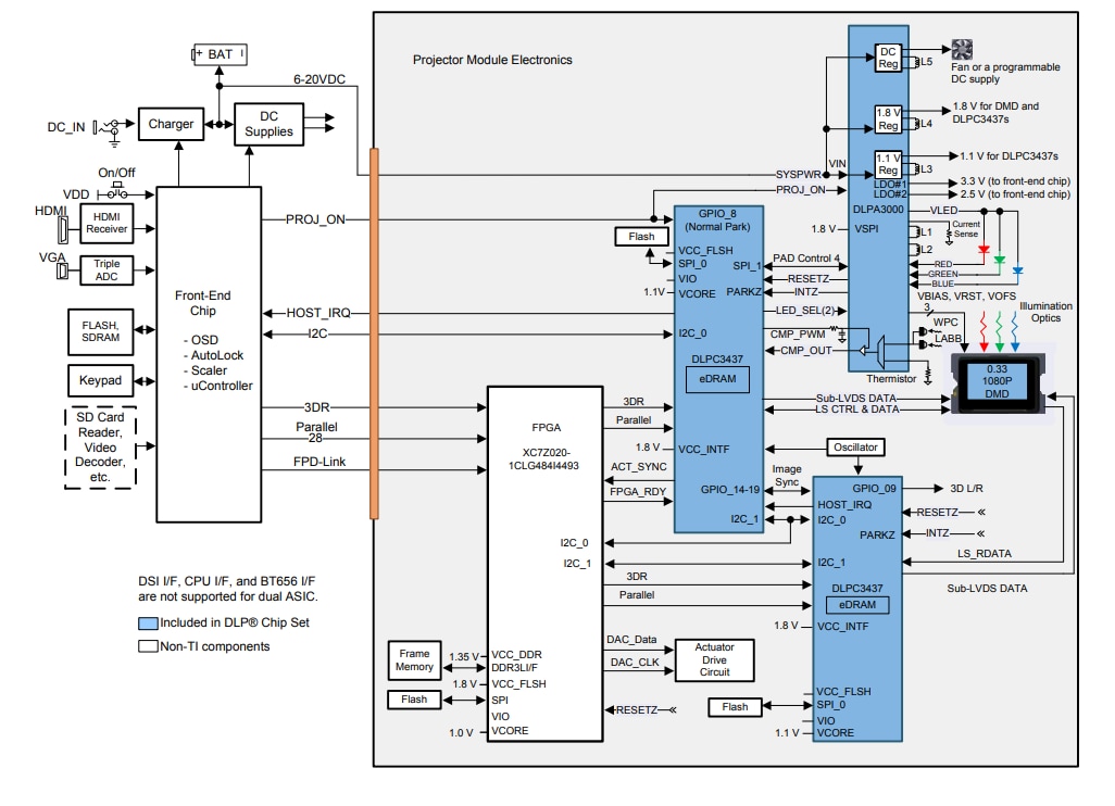
Block Diagram

Block Diagram - Texas Instruments DLPC3437CZEZ DLP Display Controllers
Publicado: 2018-08-08 | Actualizado: 2023-01-31