Texas Instruments BQ76922 3- to 5-Series Battery Monitor
Texas Instruments BQ76922 3- to 5-Series Battery Monitor offers high-accuracy and integration of high-side charge-pump NFET drivers, a programmable LDO for external system use, a host communication peripheral supporting 400kHz I2C and HDQ one-wire standards. The TI BQ76922 monitors and protects 3- to 5-series Li-ion, Li-polymer, and LiFePO4 battery packs. The BQ76922 incorporates a high-accuracy monitoring system, a highly configurable protection subsystem, and support for autonomous or host-controlled cell balancing. The BQ76922 is housed in a 32-pin 4mm x 4mm QFN package.Features
- Battery monitoring capability for 3-series to 5-series cells
- Integrated charge pump for high-side NFET protection with optional autonomous recovery
- Extensive protection suite including voltage, temperature, current, and internal diagnostics
- Two independent ADCs
- Support for simultaneous current and voltage sampling
- High-accuracy coulomb counter with input offset error <1µV (typical)
- High accuracy cell voltage measurement <10mV (typical)
- Wide-range current applications (±200mV measurement range across sense resistor)
- Integrated secondary chemical fuse drive protection
- Autonomous or host-controlled cell balancing
- Tolerant of random cell attach sequence on a production line
- Multiple power modes (typical battery pack operating range conditions)
- NORMAL mode of 286µA
- Multiple SLEEP mode options of 24µA to 41µA
- Multiple DEEPSLEEP mode options of 9µA to 10µA
- SHUTDOWN mode of 1µA
- High-voltage tolerance of 60V on cell connect and select additional pins
- Support for temperature sensing using an internal sensor and up to five external thermistors
- Integrated one-time-programmable (OTP) memory programmable by customers on a production line
- Communication options include 400kHz I2C and HDQ one-wire interface
- Programmable LDO for external system usage
- 32-pin QFN package (RSN)
Applications
- Cordless power tools and garden tools
- Vacuum cleaners
- Vacuum robots
- Non-military drones
- Other industrial battery pack (3-series to 5-series)
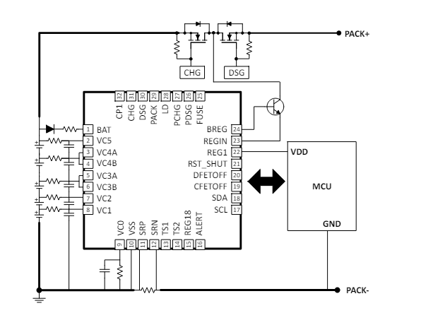
Simplified Schematic
Publicado: 2024-05-23
| Actualizado: 2024-06-05
