Texas Instruments ADC364x Analog to Digital Converters (ADCs)

Texas Instruments ADC364x Analog to Digital Converters (ADCs) are low-noise, ultralow-power, 14-bit, 10MSPS to 65MSPS dual-channel, high-speed ADCs. These ADC364x ADCs are designed for low power consumption and feature a noise spectral density of -155dBFS/Hz, combined with excellent linearity and dynamic range. The ADC364x ADCs consume only 72mW/ch at 65MSPS, and power consumption scales well with lower sampling rates.

The TI ADC364x provides excellent DC precision and IF sampling support, making it a perfect choice for various applications. It outputs data using a DDR or serial CMOS interface, offering the lowest-power digital interface and flexibility to minimize the number of digital interconnects. These devices are a pin-to-pin compatible family with different speed grades.

The ADC364x ADCs support the extended industrial temperature range of –40 to +105°C and are available in a 40-pin VQFN package.

Features

  • Dual-channel
  • 14-bit 10/25/65MSPS ADC
  • Noise floor of -155dBFS/Hz
  • Ultra-low power with optimized power scaling of 29mW/ch (10MSPS) to 72mW/ch (65MSPS)
  • Latency is one clock cycle
  • 14-Bit, no missing codes
  • INL of ±0.6LSB; DNL: ±0.2LSB
  • External or internal reference
  • Industrial temperature range of –40°C to +105°C
  • On-chip digital filter (optional)
    • Decimation by 2, 4, 8, 16, 32
    • 32-bit NCO
  • DDR and serial CMOS interface
  • Small footprint of 40-VQFN (5mm × 5mm) package
  • Single 1.8V supply
  • Spectral performance (fIN = 5MHz)
    • SNR: 79.0dBFS
    • SFDR: 93dBc HD2, HD3
    • SFDR: 101dBFS worst spur
  • Spectral performance (fIN = 64MHz)
    • SNR of 74.0dBFS
    • SFDR of 84dBc HD2, HD3
    • SFDR of 90dBFS worst spur

Applications

  • High-speed data acquisition
  • Industrial monitoring
  • Thermal imaging
  • Imaging and sonar
  • Software-defined radio
  • Power quality
  • Communications infrastructure
  • High-speed control loops
  • Instrumentation
  • Smart grids
  • Spectroscopy
  • Radar
  • Source measurement unit (SMU)
  • GPS receiver
  • Sonar
  • Substation automation

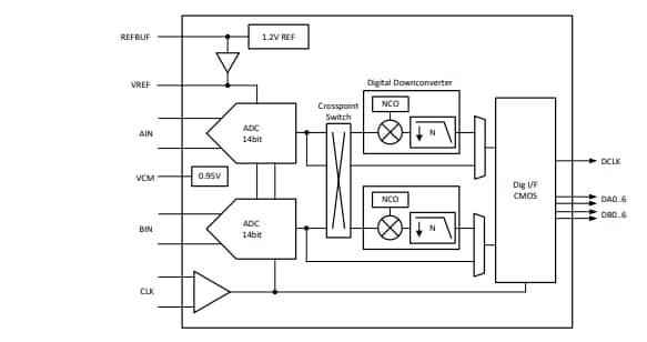
Block Diagram

Block Diagram - Texas Instruments ADC364x Analog to Digital Converters (ADCs)
Publicado: 2020-12-15 | Actualizado: 2024-10-18