TE Connectivity KEB & KES 3-Phase General Purpose EMI Filters

TE Connectivity's (TE) KEB and KES 3-Phase General Purpose EMI Filters are single-stage devices in 3-wire Delta (KEB) and 4-wire WYE (KES) versions. TE KEB and KES 3-Phase General Purpose EMI Filters feature spade, stud, or shockproof terminals with a 1A to 150A current range and 440VAC / 520VAC maximum continuous operating range. Applications include industrial automation, HVAC, rectifiers, and computer numerical control (CNC) machines.

Features

  • Single state, three-wire Delta (KEB) or 4-wire WYE (KES)
  • Spade, stud, or shockproof terminals
  • General-purpose (three-phase with neutral)
  • Standard attenuation performance
  • Chassis mounting
  • UL-recognized and CSA-certified

Applications

  • Industrial automation
  • HVAC
  • Rectifiers (KEB)
  • CNC machines (KES)

Specifications

  • 440VAC or 520VAC maximum continuous operating voltage
  • 1A to 150A at +40°C current rating
  • 50Hz or 60Hz operating frequency
  • -25°C to +85°C operating temperature range

Datasheets

KEB Circuit Diagram

Application Circuit Diagram - TE Connectivity KEB & KES 3-Phase General Purpose EMI Filters

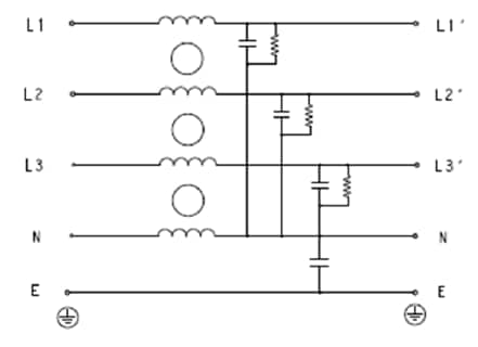
KES Circuit Diagram

Application Circuit Diagram - TE Connectivity KEB & KES 3-Phase General Purpose EMI Filters
Publicado: 2020-09-16 | Actualizado: 2024-10-09