TDK InvenSense IIM-42653 SmartIndustrial™ MotionTracking Device
TDK InvenSense IIM-42653 6-Axis SmartIndustrial™ MotionTracking Device supports an extended operating temperature range of -40°C to +105°C. This device combines a 3-axis gyroscope and a 3-axis accelerometer in a compact 2.5mm x 3mm x 0.91mm package. The IIM-42653 device features a 2KB FIFO that lowers the traffic on the serial bus interface and reduces power consumption by allowing the system processor to read sensor data and switch to low-power mode. Highly accurate external clock input is supported to reduce system-level sensitivity error, improving overall orientation measurement from gyroscope data. The host interface can support I3CSM sub, I2C sub, or SPI sub modes. The I3CSM interface enables speeds up to 12.5MHz, while the I2C interface supports speeds up to 1MHz, and the SPI interface supports speeds up to 24MHz. TDK InvenSense IIM-42653 6-Axis SmartIndustrial MotionTracking Device is suitable for navigation, orientation equipment, tilt sensing, and robotic applications.Features
- Digital-output X-, Y-, and Z-axis accelerometer
- Digital-output X, Y, and Z-axis angular rate sensors (gyroscopes)
- User-programmable interrupts
- I3CSM / I2C / SPI sub host interface
- Digital-output temperature sensor
- Small and thin package
- MEMS structure hermetically sealed and bonded at wafer level
Applications
- Navigation
- Orientation measurement
- Tilt sensing
- Platform stabilization
- Robotic
Specifications
- 14-pin LGA package
- 1.71V to 3.6V operating voltage range
- 2.5mm x 3mm x 0.91mm dimensions
- 20,000g shock tolerant
- RoHS and Green compliant
- -40°C to +105°C operating temperature range
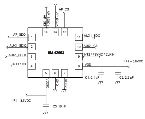
Typical Operating Circuit
Publicado: 2024-03-20
| Actualizado: 2024-08-29
