STMicroelectronics Low-Power Dual Operational Amplifiers

STMicroelectronics Low-Power Dual Operational Amplifiers consist of two independent, high-gain, internally frequency-compensated op-amps, specifically designed to operate from a single power supply over a wide range of voltages. These Low-Power Dual Operational Amplifiers have a low-power supply drain and is independent of the magnitude of the power supply voltage. Applications for these STMicroelectronics Low-Power Dual Operational Amplifiers include transducer amplifiers, DC gain blocks and all the conventional op-amp circuits, which can now be more easily implemented in single power supply systems.

Features

  • Internally frequency-compensated
  • Large DC voltage gain: 100dB
  • Wide bandwidth (unity gain): 1.1MHz (temperature compensated)
  • Very low supply current per operator essentially independent of supply voltage
  • Low input bias current: 20nA (temperature compensated)
  • Low input offset voltage: 2mV
  • Low input offset current: 2nA
  • Input common-mode voltage range includes negative rails
  • Differential input voltage range equal to the power supply voltage
  • Large output voltage swing 0V to (VCC ± 1.5V)

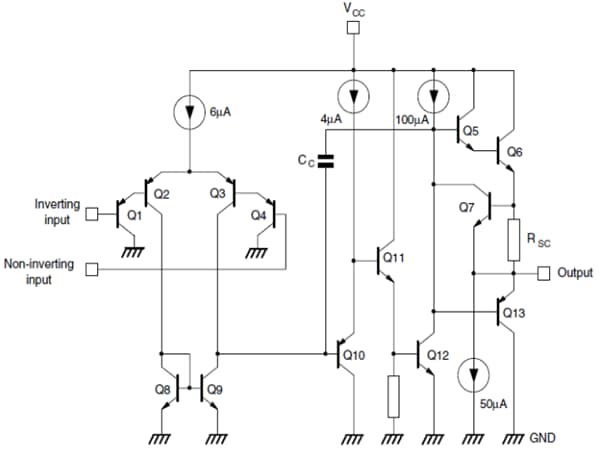
Schematic Diagram (1/2 LM158)

Schematic - STMicroelectronics Low-Power Dual Operational Amplifiers
View Results ( 14 ) Page
N.º de artículo Hoja de datos Paquete / Cubierta Corriente de salida por canal Número de canales GBP: amplificador de ancho de banda VP - Velocidad de precesión CMRR - Proporción de rechazo de modo común Ib - Polarización de entrada de tensión Vos - Tensión offset de entrada Corriente de suministro operativa PSRR - Proporción de rechazo de suministro de energía Tecnología
LM358APT LM358APT Hoja de datos TSSOP-8 40 mA 2 Channel 1.1 MHz 600 mV/us 85 dB 50 nA 3 mV 1.2 mA 65 dB Bipolar
LM358ST LM358ST Hoja de datos MiniSO-8 40 mA 2 Channel 1.1 MHz 600 mV/us 85 dB 150 nA 7 mV 1.2 mA 65 dB Bipolar
LM258ADT LM258ADT Hoja de datos SOIC-8 40 mA 2 Channel 1.1 MHz 600 mV/us 85 dB 50 nA 3 mV 1.2 mA 65 dB Bipolar
LM258QT LM258QT Hoja de datos DFN-8 40 mA 2 Channel 1.1 MHz 600 mV/us 85 dB 150 nA 5 mV 700 uA 100 dB
LM358WST LM358WST Hoja de datos MiniSO-8 40 mA 2 Channel 1.1 MHz 600 mV/us 85 dB 150 nA 7 mV 700 uA 100 dB
LM158DT LM158DT Hoja de datos SOIC-8 40 mA 2 Channel 1.1 MHz 600 mV/us 85 dB 150 nA 5 mV 1.2 mA 65 dB Bipolar
LM258AST LM258AST Hoja de datos MiniSO-8 40 mA 2 Channel 1.1 MHz 600 mV/us 85 dB 50 nA 3 mV 1.2 mA Bipolar
LM258PT LM258PT Hoja de datos TSSOP-8 40 mA 2 Channel 1.1 MHz 600 mV/us 85 dB 150 nA 5 mV 1.2 mA 65 dB Bipolar
LM358ADT LM358ADT Hoja de datos SOIC-8 40 mA 2 Channel 1.1 MHz 600 mV/us 85 dB 50 nA 3 mV 1.2 mA 65 dB Bipolar
LM358AST LM358AST Hoja de datos MiniSO-8 40 mA 2 Channel 1.1 MHz 600 mV/us 85 dB 50 nA 3 mV 1.2 mA 65 dB Bipolar
Publicado: 2012-03-09 | Actualizado: 2022-03-11