STMicroelectronics STSPIN948 Scalable Dual Full-Bridge Drivers

STMicroelectronics STSPIN948 Scalable Dual Full-Bridge Drivers are 4.5A devices for brushed DC motors or bipolar stepper motors. The power stage is designed with high dynamic performance, allowing users to achieve high-frequency PWM control with precise duty cycles. Each full-bridge is independent with an adjustable threshold current limiter and OFF-time with slow or mixed decay selection. Using an external shunt resistor, two amplifiers with fixed amplification factors provide current sensing. An adjustable slew rate guarantees the best trade-off between performances and EMI. The versatile power stage offers several ways of operation for a high level of flexibility. STMicroelectronics STSPIN948 provides a complete set of protection features, including overcurrent, overtemperature, and low bus voltage detection.

Features

  • Operating voltage up to 58V
  • Maximum output current up to 4.5ARMS
  • 5x driving methods with full-bridge and dual half-bridge parallel mode
  • RDS(ON) HS + LS = 0.36Ω typical
  • Adjustable power MOS slew rate
  • Integrated amplifiers with 2x different embedded current control techniques
  • Adjustable OFF-time with slow or mixed decay
  • Low consumption standby
  • Protections
    • UVLO
    • Overcurrent protection
    • Thermal shutdown

Applications

  • Stage lighting
  • Factory automation
  • ATM and money-handling machines
  • Textile machines
  • Home appliances
  • Robotics
  • Antenna control
  • Vending machines

Specifications

  • 2.8V to 3.6V control logic supply voltage range
  • 5.2V to 58V power stage supply voltage range
  • 0.5V/µs maximum supply voltage gradient
  • 3V typical bootstrap overdrive voltage
  • -0.6V to +1V low-side source voltage range
  • 0V to 5V logic input range
  • Up to 4.5ARMS maximum DC output current
  • Up to 8mA maximum open drain outputs sink current
  • 10kΩ to 120kΩ current limiter time setting resistor range
  • 0.1nF to 5.6nF current limiter time setting capacitor range
  • 280ns minimum PWM pulse width
  • 170µs typical charge pump capacitor charging time
  • 0kHz to 500kHz switching frequency range
  • 1µF typical bootstrap capacitor
  • 100nF typical charge pump capacitor
  • Temperature ranges
    • -40°C to +85°C ambient
    • -40°C to +150°C junction

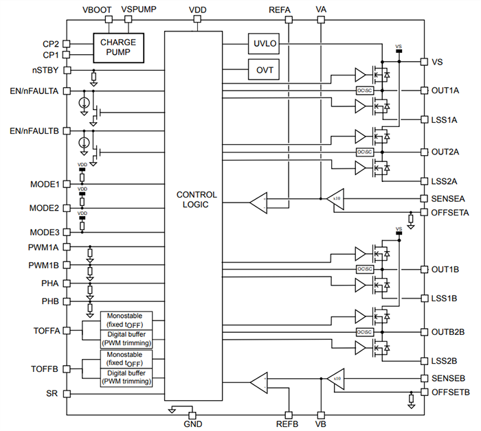
Block Diagram

Block Diagram - STMicroelectronics STSPIN948 Scalable Dual Full-Bridge Drivers

Videos

Publicado: 2023-07-24 | Actualizado: 2025-12-18