STMicroelectronics L99VR02XP Dual Automotive Voltage Regulators
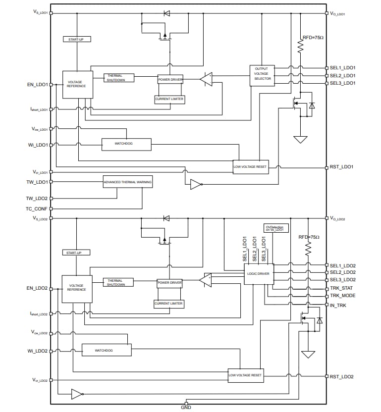
STMicroelectronics L99VR02XP Dual Automotive Voltage Regulators are developed in a PowerSSO-36 package for automotive applications. The LDO supplies an output current of up to 2x250mA, and utilizes a quiescent current as low as 1μA (per each output) when the regulator is disabled. The input is 40V tolerant to withstand load dump, while the operating input voltage range is between 2.15V and 28V. Each of the L99VR02XP outputs can be configured, via SELx pins, to create a fixed output voltage (0.8V, 1.2V, 1.5V, 1.8V, 2.5V, 2.8V, 3.3V, or 5V). High output voltage accuracy (±2%) is maintained over a wide temperature range, line, and load variation.The STMicro L99VR02XP Regulators offer reset, enable, autonomous watchdog, advanced thermal warning, thermal cluster, and fast output discharge. Automatic voltage (de)tracking of LDO2 concerning the internal LDO1, an external voltage regulator, and IShort control. The regulator output current is internally limited, protecting the device against short circuit and overload. Similarly, it features over-temperature protection; the short current value is configurable by an external resistance. The L99VR02XP can operate in post-regulation, connected to a pre-regulated voltage, or directly connected to the battery.
Features
- AEC-Q100 qualified
- Operating DC power supply voltage range from 2.15V to 28V
- Outputs protected versus short to battery
- Battery and post regulation operating modes are allowed
- Low dropout voltage
- Low quiescent current consumption
- Dual output voltages
- User-selectable output voltage (0.8V, 1.2V, 1.5V, 1.8V, 2.5V, 2.8V, 3.3V or 5V)
- Output voltage precision ±2%
- Enable input for enabling/disabling the voltage regulator
- Output voltage monitoring with reset output
- Negligible ESR effect on output voltage stability for load capacitor
- Programmable autonomous watchdog and reset pulse delay via external capacitors
- Undervoltage-lockout UVLO
- Fast output discharge
- Thermal shutdown and short-circuit protection
- Advanced thermal warning and overvoltage diagnostic
- Thermal clusters
- Programmable short-circuit output current
- Wide operating temperature range (from TJ = -40°C to +175°C)
- Automatic voltage (de)tracking of LDO2 with respect to LDO1 or of an external voltage regulator
- Limited documentation available for customers that need support when dealing with ASIL requirements as per ISO 2626
Specifications
- 40V max supply voltage (load dump)
- ±2% max output voltage tolerance
- 2x 250mA output current
- ≤1µA quiescent current
Block Diagram
Publicado: 2025-07-22
| Actualizado: 2025-11-06
