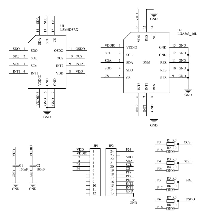
STMicroelectronics STEVAL-MKI195V1 Adapter Board
STMicroelectronics STEVAL-MKI195V1 Adapter Board is designed to facilitate the evaluation of the MEMS devices in the LSM6DSRX system-in-package. This adapter board provides an effective solution for fast system prototyping and device evaluation. The STEVAL-MKI195V1 adapter board incorporates the complete LSM6DSRX pin-out and is ready to use with the decoupling capacitors on the VDD power supply line. This adapter board is supported by the STEVAL-MKI109V3 motherboard that offers a high-performance 32-bit microcontroller.Features
- Complete LSM6DSRX pinout for a standard DIL 24 socket
- Facilitates the evaluation of the MEMS devices
- Fully compatible with the STEVAL-MKI109V3 motherboard
- Allows changing the resistor settings
- WEEE and RoHS compliant
Schematic Diagram
Publicado: 2019-10-22
| Actualizado: 2024-02-20
