Sierra Wireless / Semtech MC74x AirPrime® Industrial 4G LTE IoT Modules

Sierra Wireless / Semtech MC74x AirPrime® Industrial 4G LTE IoT Modules are compact, lightweight wireless modems that provide LTE, UMTS, and GNSS connectivity for M2M applications, notebooks, ultrabooks, and tablet computers over several radio frequency bands. MC74x modules are based on Qualcomm's MDM9250 baseband processor and offer an easy upgrade path to emerging network technologies and global access to high-speed networks. These embedded modules deliver high-speed connectivity of 300Mbps downlink and 150Mbps uplink, with a wide selection of advanced air interfaces, including LTE Advanced with carrier aggregation.   

Features

  • Based on Qualcomm's MDM9250 baseband processor
  • Physical
    • Small form factor that conforms to type F2 as specified in PCI Express Mini Card Electromechanical Specification Revision 1.2
    • Ambient operating temperature ranges
      • -30°C to +70°C for Class A (3GPP compliant)
      • -40°C to +85°C for Class B (non-3GPP compliant) with reduced operating parameters required
  • Application interfaces
    • USB interface (QMI) for Windows 7 and legacy Windows operating systems
    • MBIM for Windows 8.1 and Windows 10
    • AT command interface
    • Support for active antenna control via dedicated antenna control signals
    • Dynamic power reduction support via software and dedicated signal (DPR)
    • OMA DM (Open Mobile Alliance Device Management), support is operator-dependent
    • FOTA (Firmware Over The Air), support is operator-dependent
  • Modem
    • LTE / DC-HSPA+ / HSPA+ / HSPA / UMTS (WCDMA) operation
    • Multiple (up to 16x) cellular packet data profiles
    • Traditional modem COM port support for AT commands
    • USB suspend / resume
    • Sleep mode for minimum idle power draw
    • SIM application tool kit with proactive SIM commands
    • Enhanced Operator Name String (EONS)
    • Mobile-originated PDP context activation / deactivation
    • Support QoS QCI (3GPP Release 12)
    • Static and Dynamic IP address - the network may assign a fixed IP address or dynamically assign one using DHCP (Dynamic Host Configuration Protocol)
    • PAP and CHAP support
    • PDP context type (IPv4, IPv6, or IPv4v6)
    • RFC1144 TCP/IP header compression
  • Short Message Service (SMS) with Mmobile-originated and mobile-terminated SMS over IMS or SGs for LTE
  • LTE
    • Carrier aggregation
      • 40MHz for DL LTE-FDD
      • 40MHz for DL LTE-TDD
      • 40MHz intraband contiguous for UL LTE
    • CSG support (LTE Femto)
    • LTE advanced receivers (NLIC, eICIC, feICIC)
    • Basic cell selection and system acquisition
      • PSS/SSS/MIB decode
      • SIB1–SIB16 decoding
    • NAS/AS security procedures - Snow 3G/AES/ZUC security
    • CQI/RI/PMI reporting
    • Paging procedures with paging in Idle and Connected mode
    • Dedicated bearer
      • Network-initiated dedicated bearer
      • UE-initiated dedicated bearer
    • Multiple PDN connections (IPv4 and IPv6 combinations), subject to the operating system support
    • Connected mode intra-LTE mobility
    • Idle mode intra-LTE mobility
    • iRAT between LTE/3G for idle and connection release with redirection
    • Detach procedure
      • Network-initiated detach with reattach required
      • Network-initiated detach followed by connection release
  • Position location
    • Customizable tracking session
    • Automatic tracking session on startup
    • Concurrent standalone GPS, GLONASS, Galileo, BeiDou, and QZSS
    • Assisted GPS/GLONASS SUPL2.0
    • GPS/GLONASS on a dedicated connector or diversity connector
    • gpsOneXTRA 1.0/2.0/3.0/3.1
    • BeiDou on a dedicated connector or diversity connector with reduced performance
    • Galileo on a dedicated connector or diversity connector

Applications

  • Modems/routers
  • Mobile computing
  • AI
  • Private networking
  • Public safety
  • Industrial M2M
  • Video streaming
  • Video surveillance
  • VR/AR
  • Industrial automation
  • Drones

System Block Diagram

Block Diagram - Sierra Wireless / Semtech MC74x AirPrime® Industrial 4G LTE IoT Modules

Expanded RF (Transmit) Block Diagram

Block Diagram - Sierra Wireless / Semtech MC74x AirPrime® Industrial 4G LTE IoT Modules

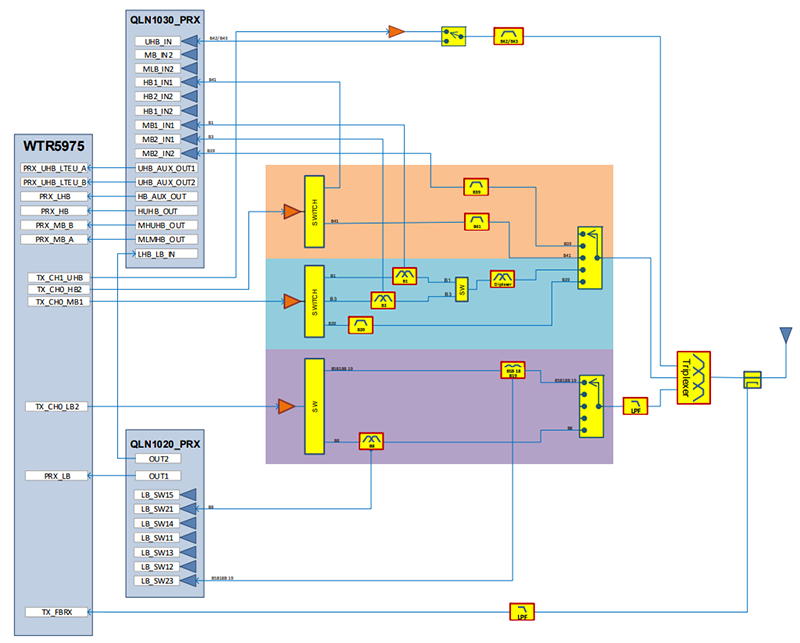
Expanded RF (Receive/GNSS) Block Diagram

Block Diagram - Sierra Wireless / Semtech MC74x AirPrime® Industrial 4G LTE IoT Modules
Publicado: 2024-02-07 | Actualizado: 2024-03-04