ROHM Semiconductor RB-D62Q2045GD24 Reference Board

ROHM Semiconductor RB-D62Q2045GD24 Reference Board is a highly versatile development platform featuring the LAPIS ML62Q2045 16-bit microcontroller. Designed for robust performance and flexibility, this reference board provides an ideal solution for engineers and developers working on embedded systems. The ML62Q2045 microcontroller combines low power consumption with high functionality, making it well-suited for applications in industrial automation, consumer electronics, and Internet of Things (IoT) devices. Equipped with essential peripherals, debugging interfaces, and configurable features, the ROHM Semiconductor RB-D62Q2045GD24 enables seamless prototyping and evaluation of designs. Its user-friendly layout and comprehensive documentation further enhance development efficiency, ensuring smooth integration into diverse projects.

The RB-D62Q2045GD24 can be used to learn how to use the ML62Q2045 MCU, for which the user needs to provide additional external components if necessary. By using the RB-D62Q2045GD24 together with the EASE1000 V2 on-chip emulator and the software development environment, the user can develop software and debug/program the Flash. Also, connecting an external power supply to the RB-D62Q2045GD24 reference board enables use independently without connecting an EASE1000 V2.

Features

  • Provided with the LAPIS ML62Q2045 16-bit microcontroller, 24-pin WQFN
  • Mounted with the linked connector to EASE1000 V2
  • Through-holes for connecting the pins of LSI to external peripheral boards
  • Selectable power supply, supplied from the on-chip emulator EASE1000 V2 or CN1_6pin
  • Mounted with a charge pump for generating power
  • Mounted LED (P05)
  • Foot pattern with components for Successive Approximation Type A/D Converter available (P14, P15, P16, P17)
  • Integrated peripherals
  • Debugging and programming interface
  • UART, SPI, and I2C communication interfaces
  • 4.5V to 5.5V supply voltage range
  • 56mm x 94mm x 15mm (WxDxH) size

Applications

  • Home and building automation
  • Industrial control and monitoring
  • IoT devices
  • Wearables
  • Consumer electronics
  • Automotive
  • Medical devices
  • Energy management

Overview

Location Circuit - ROHM Semiconductor RB-D62Q2045GD24 Reference Board

Power Circuit

Location Circuit - ROHM Semiconductor RB-D62Q2045GD24 Reference Board

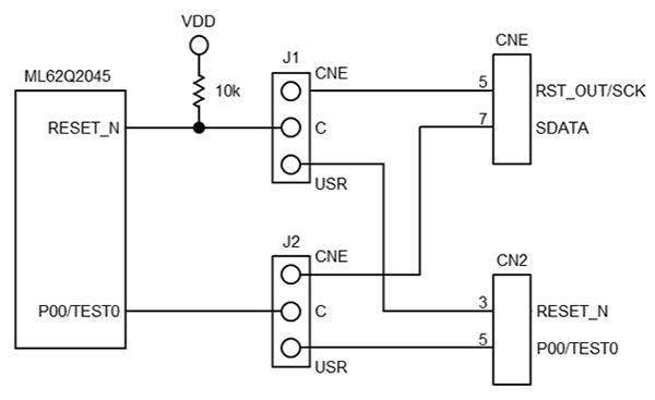
EASE1000 V2 Interface

Location Circuit - ROHM Semiconductor RB-D62Q2045GD24 Reference Board

PCB Layout

Mechanical Drawing - ROHM Semiconductor RB-D62Q2045GD24 Reference Board
Publicado: 2025-01-10 | Actualizado: 2025-08-19