ROHM Semiconductor Red Single Mode Laser Diodes

ROHM Semiconductor Red Single Mode Laser Diodes are available in 650nm and 635nm wavelengths with the industry standard of Φ5.6 metal stem. ROHM Semiconductor diodes provide the optimal storage temperature range of -40°C to +85°C.

Applications

  • Sensor
  • Bar-code scanner
  • Leveling
  • Ranging
  • Optical disk pickup
  • Line marker

Dust (PM2.5, Pollen, Others) Detection Light Source

Chart - ROHM Semiconductor Red Single Mode Laser Diodes

Leveling and Line Marker Light Source

Chart - ROHM Semiconductor Red Single Mode Laser Diodes

Ranging Machine Light Source

Chart - ROHM Semiconductor Red Single Mode Laser Diodes

Equivalent Circuit Diagram

Schematic - ROHM Semiconductor Red Single Mode Laser Diodes

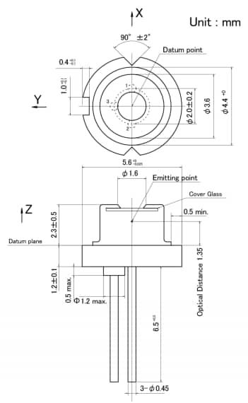
Dimension Diagram

Mechanical Drawing - ROHM Semiconductor Red Single Mode Laser Diodes

Videos

Publicado: 2020-06-15 | Actualizado: 2024-09-26