ROHM Semiconductor RB-D62Q2534TB48 Reference Board

ROHM Semiconductor RB-D62Q2534TB48 Reference Board is a versatile development platform powered by the LAPIS ML62Q2534 CMOS 16-bit RISC microcontroller. Designed for efficient prototyping and evaluation, this board excels in applications such as automotive systems, including main inverters, onboard chargers, and battery management systems. The board's robust processing capabilities, low power consumption, and integrated peripherals make it ideal for industrial automation and intelligent consumer electronics. Compatible with ROHM’s advanced development tools, the RB-D62Q2534TB48 streamlines the design process, enabling engineers to create innovative, energy-efficient, and reliable solutions for modern embedded systems.

Features

  • Provided with the LAPIS ML62Q2534 CMOS 16-bit RISC MCU, 48-pin TQFP
  • Mounted with the linked connector to EASE1000 V2
  • Through-holes for connecting the pins of LSI to external peripheral boards
  • Selectable power supply, supplied from the on-chip emulator EASE1000 V2 or CN1_3pin
  • Mounted 32.768KHz crystal
  • Mounted LEDs (P20, P21, P22)
  • Foot pattern with components for Successive Approximation Type A/D Converter is available (P30, P31, P32, P33)
  • Low power consumption
  • Internal flash memory and RAM
  • Flexible I/O and communication interfaces
  • Real-time processing
  • 1.8V to 5.5V operating supply range
  • Compact form factor, 56mm x 94mm x 15mm (WxDxH) size

Applications

  • Automotive systems
  • Industrial equipment
  • Consumer electronics

Overview

Location Circuit - ROHM Semiconductor RB-D62Q2534TB48 Reference Board

Power Circuit

Location Circuit - ROHM Semiconductor RB-D62Q2534TB48 Reference Board

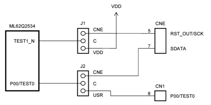
EASE1000 V2 Interface

Location Circuit - ROHM Semiconductor RB-D62Q2534TB48 Reference Board

PCB Layout

Mechanical Drawing - ROHM Semiconductor RB-D62Q2534TB48 Reference Board
Publicado: 2024-12-30 | Actualizado: 2025-01-07