ROHM Semiconductor BDxxGA3WEFJ / BDxxGA3WNUX LDO Voltage Regulators
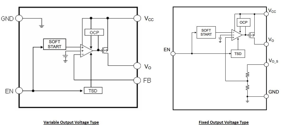
ROHM Semiconductor BDxxGA3WEFJ / BDxxGA3WNUX LDO Voltage Regulators offer an output current of 300mA. The voltage regulators feature ±1% output voltage accuracy, zero µA shutdown mode, built-in Over Current Protection (OCP), and built-in Thermal Shut Down circuit (TSD). These BDxxGA3WEFJ / BDxxGA3WNUX LDO voltage regulators offer both fixed and variable output voltage devices. The variable output voltage device varies from 1.5V to 13V using external resistors. These LDO regulators have various fixed output voltage devices that do not use external resistors are also available. The BDxxGA3WEFJ / BDxxGA3WNUX voltage regulators are available in HTSOP-J8 (4.90mm x 6mm x 1mm) and VSON008X2030 (2mm x 3mm x 0.60mm) small packages. These LDO regulators are usable with ceramic capacitors that enable a smaller layout and longer life. The LDO regulators are used for a wide range of digital appliance applications.Features
- ±1% output voltage accuracy
- Built-in Over Current Protection (OCP)
- Built-in Thermal Shut Down circuit (TSD)
- Zero µA shutdown mode
Specifications
- 4.5V to 14V input power supply voltage range
- 1.5V to 13V output voltage range (variable type)
- 1.5V/1.8V/2.5V/3V/3.3V/5V/6V/7V/8V/9V/10V/12V output voltage (fixed type)
- 0.3A maximum output current
- -25℃ to 85℃ operating temperature range
- Packages:
- HTSOP-J8 (EFJ): 4.90mm x 6mm x 1mm dimensions
- VSON008X2030 (NUX): 2mm x 3mm x 0.60mm dimensions
Block Diagram
Typical Application Circuit
View Results ( 23 ) Page
| N.º de artículo | Hoja de datos | Voltaje de salida | Corriente de salida | Tipo de salida | Dp - Disipación de potencia | Número de salidas | Estilo de montaje |
|---|---|---|---|---|---|---|---|
| BD50GA3WEFJ-E2 | ![]() |
5 V | 300 mA | Fixed | 2.11 W | 1 Output | SMD/SMT |
| BD80GA3WNUX-TR | ![]() |
8 V | 300 mA | Fixed | 1.7 W | 1 Output | SMD/SMT |
| BD00GA3WEFJ-E2 | ![]() |
300 mA | Adjustable | 2.11 W | 1 Output | SMD/SMT | |
| BD60GA3WEFJ-E2 | ![]() |
6 V | 300 mA | Fixed | 2.11 W | 1 Output | SMD/SMT |
| BD15GA3WNUX-TR | ![]() |
1.5 V | 300 mA | Fixed | 1.7 W | 1 Output | SMD/SMT |
| BD18GA3WNUX-TR | ![]() |
1.8 V | 300 mA | Fixed | 1.7 W | 1 Output | SMD/SMT |
| BD25GA3WNUX-TR | ![]() |
2.5 V | 300 mA | Fixed | 1.7 W | 1 Output | SMD/SMT |
| BD80GA3WEFJ-E2 | ![]() |
8 V | 300 mA | Fixed | 2.11 W | 1 Output | SMD/SMT |
| BD90GA3WNUX-TR | ![]() |
9 V | 300 mA | Fixed | 1.7 W | 1 Output | SMD/SMT |
| BD33GA3WEFJ-E2 | ![]() |
3.3 V | 300 mA | Fixed | 2.11 W | 1 Output | SMD/SMT |
Publicado: 2021-05-04
| Actualizado: 2022-03-11

