ROHM Semiconductor BD9P Series Single 2.2MHz Buck DC-DC Converters

ROHM Semiconductor BD9P Series Single 2.2MHz Buck DC-DC Converters are current mode synchronous buck DC/DC converters integrating power MOSFETs. These converters feature protection against input Under-Voltage Lockout (UVLO), Thermal Shut Down (TSD), output over-voltage, and short circuit. The BD9P1x-C series buck DC-DC converters offer selectable spread-spectrum switching and external synchronization function. These DC-DC converters operate at 3.5V to 40V supply voltage range and -40°C to +125°C temperature range. ROHM Semiconductor BD9P Converters are suitable for automotive- and consumer-powered supplies.

Features

  • Nano pulse control™
  • AEC-Q100 qualified
  • Minimum on pulse 50ns(max)
  • Synchronous buck DC/DC converter integrating POWER MOSFETs
  • Soft-start function
  • Current mode control
  • Reset function
  • Quiescent current 10μA(Typ) with 12V input to 5V output
  • Light Load Mode (LLM)
  • Forced Pulse Wide Modulation (PWM) mode
  • Phase compensation included
  • Selectable spread spectrum switching
  • External synchronization function
  • Selectable Over Current Protection (OCP)
  • Input Under Voltage Lockout (UVLO) protection
  • Thermal Shut Down (TSD) protection
  • Output Over Voltage Protection (OVP)
  • Short Circuit Protection (SCP)

Specifications

  • 3.5V to 40V supply voltage range
  • -40°C to +125°C operating temperature range
  • 2.2MHz switching frequency

Applications

  • Automotive-powered supplies
  • Consumer-powered supplies

Applications

Schematic - ROHM Semiconductor BD9P Series Single 2.2MHz Buck DC-DC Converters

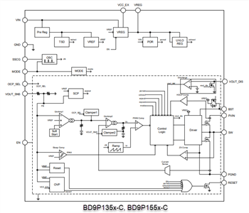
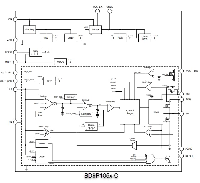
Block Diagrams

Application Circuit Diagrams

Pin Diagrams

Videos

Publicado: 2021-01-04 | Actualizado: 2024-10-29