Renesas Electronics ISL78419 TFT-LCD Power Supply Regulator

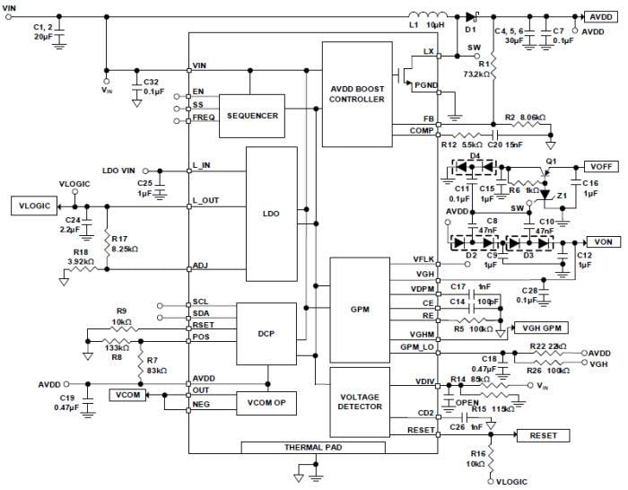
Renesas / Intersil ISL78419 TFT-LCD Power Supply Regulator is an integrated power management IC (PMIC) for TFT-LCDs used in central display, rear-seat entertainment, and virtual dashboards. The device integrates a boost converter for generating AVDD, an LDO regulator for VLOGIC. VON and VOFF are generated by a charge pump driven by the switch node of the boost converter. The ISL78419 also includes a VON slice circuit, reset function, and a high-performance VCOM amplifier with a Digitally Controlled Potentiometer (DCP) that is used as a VCOM calibrator.

Features

  • 2.5V to 5.5V input
  • 1.5A, 0.18Ω integrated boost FET
  • VON/VOFF supplies generated by charge pumps driven by the boost switch node
  • LDO for VLOGIC channel
  • 600kHz/1200kHz selectable switching frequency
  • Integrated gate pulse modulator
  • Reset signal generated by supply monitor
  • Integrated VCOM amplifier
  • DCP
  • I2C serial interface, address: 0101000, MSB left
  • Wiper position stored in 8-bit nonvolatile memory and recalled on power-up
  • Endurance, 1,000 data changes per bit
  • UVLO, UVP, OVP, OCP, and OTP protection
  • Pb-free (RoHS compliant)
  • 28 Ld 4x5 QFN
  • AEC - Q100 qualified

Applications

  • Automotive TFT displays
  • Central displays, rear seat entertainment and dashboards

Application Diagram

Renesas Electronics ISL78419 TFT-LCD Power Supply Regulator
Publicado: 2013-02-12 | Actualizado: 2023-06-20