Qorvo TGA2760-SM Power Amplifier
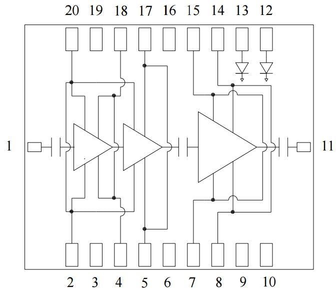
Qorvo TGA2760-SM Power Amplifier is an amplifier with an integrated power detector and 9.5GHz to 12GHz frequency range. This amplifier is designed using Qorvo's power Gallium Arsenide (GaAs), Pseudomorphic High Electron Mobility Transistor (pHEMT), and Gallium Nitride (GaN) HEMT production process. The TGA2760-SM amplifier typically provides 42dBm of saturated output power with a small gain of 33dB. This amplifier is RoHS compliant, free from lead and halogen, and ideal for point-to-point radio. The Qorvo TGA2760-SM amplifier is available in a surface-mount 20 lead 8mm x 10mm laminate package.Features
- 9.5GHz to 12GHz frequency range
- Power of +42dBm Psat
- Bias: V D1 =V D2 =+7V, I D1 +I D2 =1000 mA, V D3 =+28V, ID =260mA
- 33dB gain
- Integrated power detector
- 8mm x 10mm x 2mm package dimensions
Functional Block Diagram
Publicado: 2016-07-18
| Actualizado: 2022-03-11
