Qorvo QPC7334 RF Development Tool

Qorvo QPC7334 RF Development Tool is designed to evaluate QPC7334 variable equalizers operating in the 5MHz to 684MHz frequency bandwidth. These Qorvo equalizers consume low power and offer 16dB slope and low insertion loss.

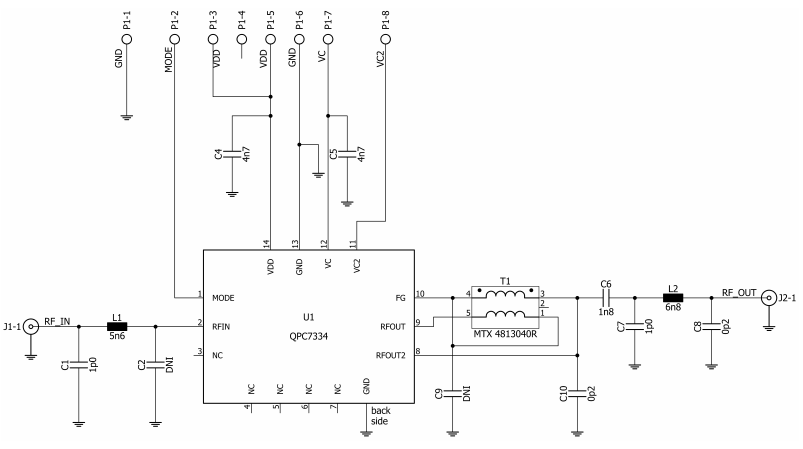
Schematic

Schematic - Qorvo QPC7334 RF Development Tool
Publicado: 2020-05-08 | Actualizado: 2024-08-20