Qorvo CMD270P3 4-8GHz Low Noise Amplifier
Qorvo CMD270P3 4-8GHz Low Noise Amplifier is a broadband MMIC housed in a leadless 3mm x 3mm plastic surface-mount package. The Qorvo CMD270P3 is ideal for communications systems where small size and low power consumption are needed. The broadband device delivers greater than 16dB of gain with a corresponding output 1dB compression point of +18dBm and a noise figure of 1.7dB. The CMD270P3 is a 50Ω matched design, eliminating the need for external DC blocks and RF port matching.Features
- Ultra-low noise figure
- High-gain broadband performance
- +4.0V at 60mA single supply voltage
- Pb-free, RoHs-compliant
- 3mm x 3mm QFN package
Applications
- Electronic warfare (EW)
- C Band radar
- Space
- Satellite communications (Satcom)
- Phased arrays
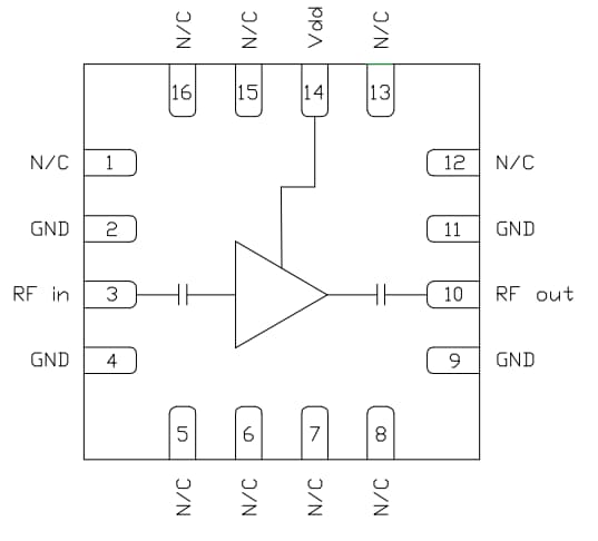
Block Diagram
Publicado: 2020-03-24
| Actualizado: 2024-08-20
