Pulse Electronics HXE20xHL Reinforced Halogen-Free ESS Transformers
Pulse Electronics HXE20xHL Reinforced Halogen-Free ESS Transformers support leading vendors' silicon for battery management systems (BMS) and energy storage solutions (ESS). The transformers offer a selection of working and breakdown voltages and a wide operating temperature range of -40°C to +125°C. These HXE20xHL transformers have an automated winding and production process for high reliability and UL compliance to IEC/UL 62368-1 standards. Pulse Electronics HXE20xHL transformers are suitable for ESS and marine or aviation transportation.Features
- Supports leading vendors' BMS and ESS
- Selection of working and breakdown voltages
- Automated winding and product process
- High reliability
Applications
- ESS
- Marine transportation
- Aviation transportation
Specifications
- 150μH inductance rating
- 500VDC to 1500VDC working voltage
- 400MΩ insulation resistance
- >6.35mm or >8.0mm insulation clearance
- -40°C to +125°C operating temperature range
- IEC/UL 62368-1 UL compliance
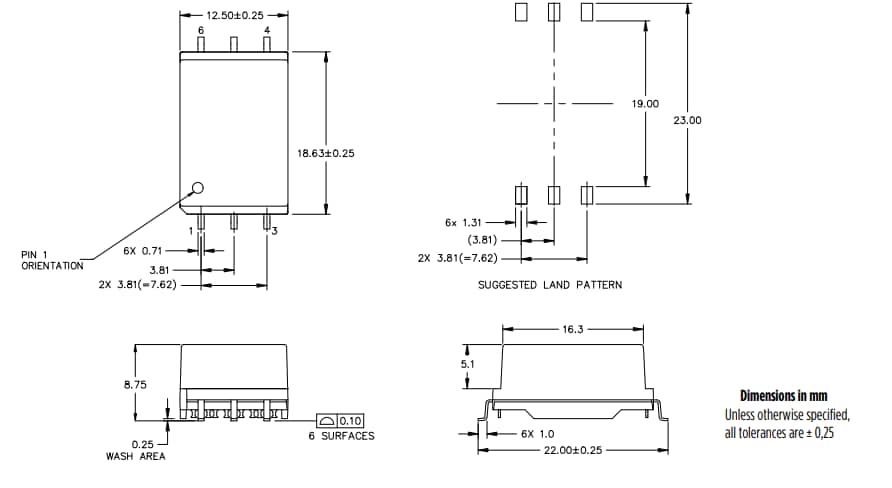
Dimensions
Publicado: 2024-05-03
| Actualizado: 2024-05-21
