Panasonic Industrial Devices APV High Power Type Photovoltaic MOSFET Drivers

Panasonic APV High Power Type Photovoltaic MOSFET Drivers provide high-speed operation and low on-resistance in a miniature, surface mount SSOP package. Operating within a temperature range of -40°C to +85°C, the components also feature a 1500Vrms I/O isolation voltage, a 0.8pF typical I/O capacitance, and a 1000MΩ initial I/O isolation resistance at 500VDC. The APV Photovoltaic MOSFET Drivers from Panasonic are ideal for measuring equipment, testing equipment, industrial machinery, industrial equipment, data centers, and FA power supplies.

Features

  • Miniature, surface mount SSOP package
  • 1 Form A output configuration
  • High-speed MOSFET operation (APV1111GVY - high output current)
  • Low-on MOSFET resistance (APV3111GVY - high output voltage)
  • RoHS compliant

Applications

  • Measuring equipment
  • Testing equipment
  • Industrial machinery
  • Industrial equipment
  • Datacenter
  • FA power supply

Specifications

  • Output rating
    • 8.5V or 18V typical drop-out voltage
    • 45µA or 12µA typical short circuit currents
  • Input
    • 30mA LED forward current
    • 5V LED reverse voltage
    • 1A peak forward current
    • 60mW power dissipation
  • 1500Vrms I/O isolation voltage
  • Ambient temperature ranges
    • -40°C to +85°C operating
    • -40°C to +100° storage
  • 0.8pF typical I/O capacitance
  • 1000MΩ initial I/O isolation resistance at 500VDC

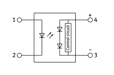
Schematic

Schematic - Panasonic Industrial Devices APV High Power Type Photovoltaic MOSFET Drivers

Wiring Diagram

Panasonic Industrial Devices APV High Power Type Photovoltaic MOSFET Drivers
Publicado: 2021-04-15 | Actualizado: 2024-02-29