onsemi NXV08H300DT1 MOSFET Module

onsemi NXV08H300DT1 MOSFET Module is a dual half bridge 80V automotive power MOSFET module with temperature sensing for 48V mild hybrid automotive applications. This 2-phase power MOSFET module is electrically isolated with Direct Bond Copper (DBC) substrate for low Rthjc. The NXV08H300DT1 module is compactly designed for low total module resistance, and the small, efficient, and reliable system design reduces vehicle fuel consumption and CO2 emissions. The components inside the module are AEC-Q101 (MOSFET) and AEC-Q200 (passives) qualified. The NXV08H300DT1 power MOSFET module is ideally used in 48V inverter and 48V traction applications.

Features

  • 2-phase MOSFET module (at the customer side, this module can be used as a half-bridge MOSFET module by combining 2-phase out power terminals)
  • Electrically isolated DBC substrate for low Rthjc
  • Compact design for low total module resistance
  • Simplified vehicle assembly
  • Low thermal resistance
  • Low inductance
  • 80V (VDS) drain to source voltage
  • Module serialization for full traceability
  • Module level AQG324 qualified:
    • Components inside are AEC-Q101 (MOSFET) and AEC-Q200 (passives) qualified
  • UL 94V-0 compliant
  • Pb-free and RoHS-compliant

Applications

  • 48V inverter
  • 48V traction

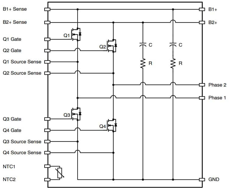
Block Diagram

Block Diagram - onsemi NXV08H300DT1 MOSFET Module

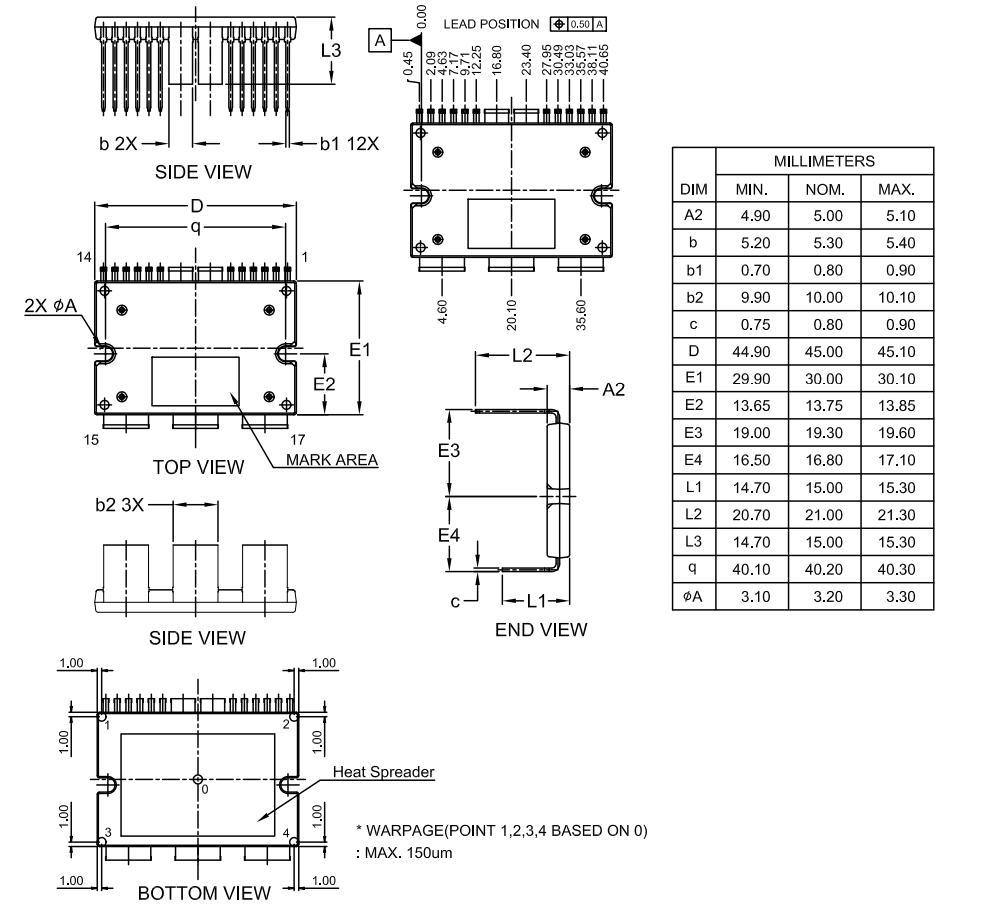
Package Dimensions

Mechanical Drawing - onsemi NXV08H300DT1 MOSFET Module
Publicado: 2024-02-21 | Actualizado: 2024-07-15