onsemi NCP51530 MOSFET Gate Drivers

onsemi NCP51530 MOSFET Gate Drivers are high frequency, 700V, 2A high and low side driver capability for AC/DC power supplies and inverters. The NCP51530 offers low propagation delay, low quiescent current, and low switching current at high frequencies of operation. These NCP51530 drivers are adapted for high-efficient power supplies operating at high frequencies. The NCP51530 drivers are available in two versions: NCP51530A and NCP51530B. The NCP51530A driver has a typical 60ns propagation delay, while NCP51530B has a typical propagation delay of 25ns. Typical applications include high-density SMPS for servers, telecom, industrial, half/full-bridge and LLC converters, active clamp flyback/forward converters, solar inverters, and electric power steering.

Features

  • High voltage range up to 700V
  • NCP51530A:
    • Typical 60ns propagation delay
  • NCP51530B:
    • Typical 25ns propagation delay
  • Low quiescent and operating currents
  • 15ns rise and fall time
  • 2.2A/1.7A source/sink currents
  • Under-voltage lockout for both channels
  • 3.3V and 5V input logic compatible
  • High dv/dt immunity up to 50V/ns
  • Pin-to-pin compatible with industry-standard half-bridge ICs
  • Matched propagation delay (7ns maximum)
  • High negative transient immunity on bridge pin
  • DFN10 package offers both improved creepage and exposed pad

Applications

  • High-density SMPS for servers, telecom, and industrial
  • Half/full-bridge and LLC converters
  • Active clamp flyback/forward converters
  • Solar inverters and motor controls
  • Electric power steering

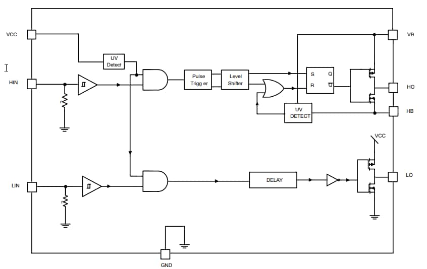
NCP51530 Gate Drivers Block Diagram

Block Diagram - onsemi NCP51530 MOSFET Gate Drivers
View Results ( 2 ) Page
N.º de artículo Hoja de datos Descripción Corriente de salida Número de salidas Corriente de suministro operativa Producto
NCP51530ADR2G NCP51530ADR2G Hoja de datos Controladores de puertas 700V HALF BRIDGE DRIVER 3.5 A 2 Output 2 mA MOSFET Gate Drivers
NCP51530BDR2G NCP51530BDR2G Hoja de datos Controladores de puertas 700V HALF BRIDGE DRIVER 3.5 A 2 Output 2 mA MOSFET Gate Drivers
Publicado: 2018-07-03 | Actualizado: 2025-03-04