onsemi NCP1342 Quasi-Resonant Flyback Controllers
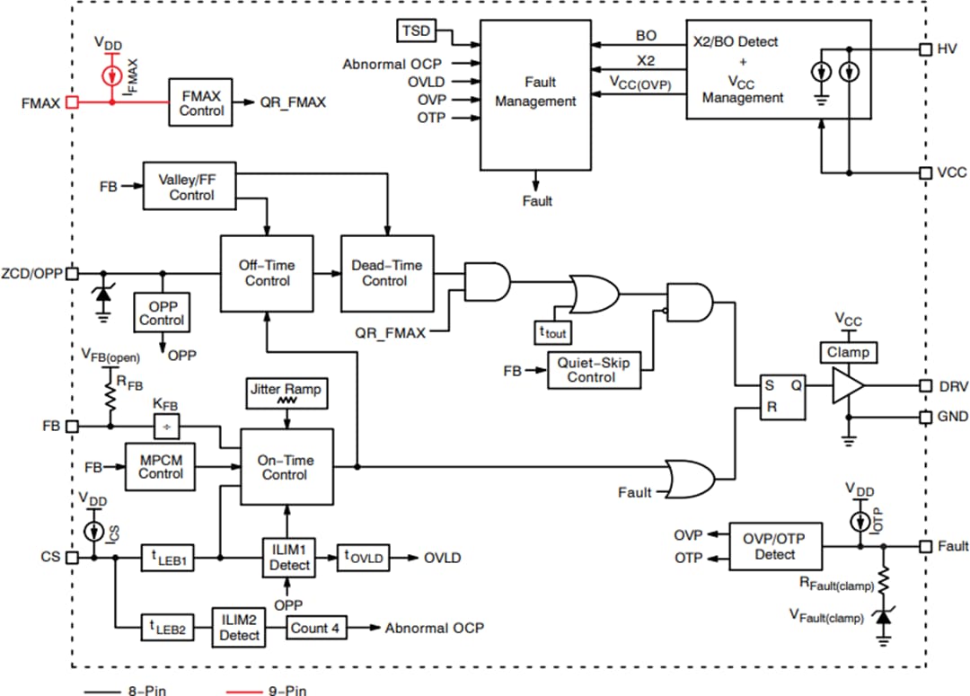
onsemi NCP1342 Quasi-Resonant Flyback Controllers are highly integrated High-Frequency PWM (Pulse Width Modulation) Controllers intended to simplify the design of high-performance off-line power converters. With an integrated active X2 capacitor-discharge feature, the NCP1342 devices enable no-load power consumption below 30mW.The NCP1342 features proprietary valley-lockout circuitry, ensuring stable valley switching. This system works down to the 6th valley and transitions to frequency foldback mode to reduce switching losses. As the load decreases further, the NCP1342 enters quiet-skip mode to manage the power delivery while minimizing acoustic noise.
To ensure light load performance with high-frequency designs, the NCP1342 incorporates Minimum Peak Current Modulation (MPCM) to reduce the switching frequency quickly. To help ensure converter ruggedness, the NCP1342 implements several key protective features such as internal brownout detection, non-dissipative Over Power Protection (OPP) for constant maximum output power regardless of input voltage, a latched overvoltage, NTC-ready overtemperature protection through a dedicated pin, and line removal detection to safely discharge the X2 capacitors when the AC line is removed.
The NCP1342 is offered in SOIC-8 and SOIC-9 packages for design flexibility.
Features
- Integrated high-voltage startup circuit with brownout detection
- Integrated X2 capacitor-discharge capability
- Wide VCC range from 9V to 28V
- 28V VCC overvoltage protection
- Abnormal overcurrent fault protection for winding short circuit or saturation detection
- Internal temperature shutdown
- Valley switching operation with valley-lockout for noise-free operation
- Frequency foldback with 25kHz minimum frequency clamp for increased efficiency at light loads
- Rapid frequency foldback for fast reduction of switching frequency at light loads
- Skip mode with quiet-skip technology for the highest performance during light loads
- Minimized current consumption for no-load power below 30mW
- Frequency jittering for reduced EMI signature
- Latching or auto-recovery timer-based overload protection
- Adjustable Overpower Protection (OPP)
- Adjustable maximum frequency clamp
- Fault pin for severe fault conditions, NTC compatible for OTP
- 4ms soft-start timer
- Package options
- SOIC-8 NB
- SOIC-9 NB
- Pb-free
8-Pin Application Circuit
9-Pin Application Circuit
Block Diagram
