NXP Semiconductors S12ZVM-EFP Electrical Fuel Pump Reference Design
NXP Semiconductors S12ZVM-EFP Electrical Fuel Pump Reference Design is an out-of-box reference design board for a 12V 3-phase permanent magnet synchronous motor (PMSM) automotive electrical fuel pump (EFP). Based on the 16-bit S12 MagniV® S12ZVM Mixed-Signal Microcontrollers, the S12ZVM-EFP uses a smooth cross-over I/F start-up and an initial position detection (IPD) algorithm to ensure the robust and fast start-up for achieving the strict <150ms goal from standstill to the rated speed.Features
- Supports 12V power supply system with up to 250W automotive BLDC/PMSM motor control system
- Supports BLDC/PMSM sensorless FOC control, both dual shunt and single shunt
- Robust and fast start-up, meeting the strict start-up condition <150ms from standstill to the rated speed
- Crossing the current I/F start-up and initial position detection algorithm make sure the start-up is successful
- Board tested against the supply voltage changing, load changing, speed command jumping, and the temperature rising
- Supports multiple diagnoses and protection strategies using the robust Gate Driver Unit (GDU)
- Supports over-voltage (OV), under-voltage (UV), short- and over-current (OC), over-temperature (OT), and stall detection
- Supports speed commands from PWM/FreeMASTER/LIN by user define
Applications
- Automotive fuel pumps
- BLDC/PMSM
Technical Resources
Board Layout
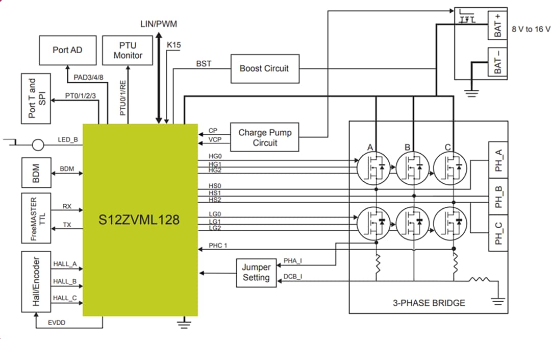
Block Diagram
Software Block Diagram
Publicado: 2020-06-11
| Actualizado: 2024-10-25
