Monolithic Power Systems (MPS) MP8796 Step-Down Converters

Monolithic Power Systems (MPS) MP8796 Step-Down Converters offer up to 30A output current (IOUT) across a 4V to 16V wide input voltage (VIN) range. These step-down converters provide a switching frequency range from 400kHz to 1000kHz. The MP8796 converters feature Over-Current Protection (OCP), Over-Voltage Protection (OVP), and Over-Temperature Protection (OTP) with selectable hiccup mode or latch-off mode. These converters use Multiphase Constant-On-Time (MCOT) control that provides a fast transient response and eases loop stabilization. Typical applications include multifunctional printers, flat-panel televisions and monitors, access points and routers, and optical modules.

Features

  • 4V to 16V wide operating input voltage (VIN) range
  • 3V to 16V wide operating input voltage (VIN) range with external 3.3V VCC bias
  • Up to 30A continuous output current (IOUT) per phase
  • 400kHz to 1000kHz selectable switching frequency (fSW) range
  • 850μA quiescent current (IQ)
  • Low RDS(ON) integrated power MOSFETs
  • Adaptive Constant-On-Time (COT) control for ultrafast transient response
  • Stable with zero-ESR output capacitor
  • Selectable Pulse-Frequency Modulation (PFM) Mode and Forced Continuous Conduction Mode (FCCM)
  • Over-Current Protection (OCP), Over Voltage Protection (OVP), and Over Temperature with selectable hiccup mode or latch-off mode
  • Available in a TQFN-25 (4mm x5mm) package

Applications

  • Multifunctional printers
  • Flat-panel televisions and monitors
  • Access points and routers
  • Optical modules

Typical Application Circuit

Application Circuit Diagram - Monolithic Power Systems (MPS) MP8796 Step-Down Converters

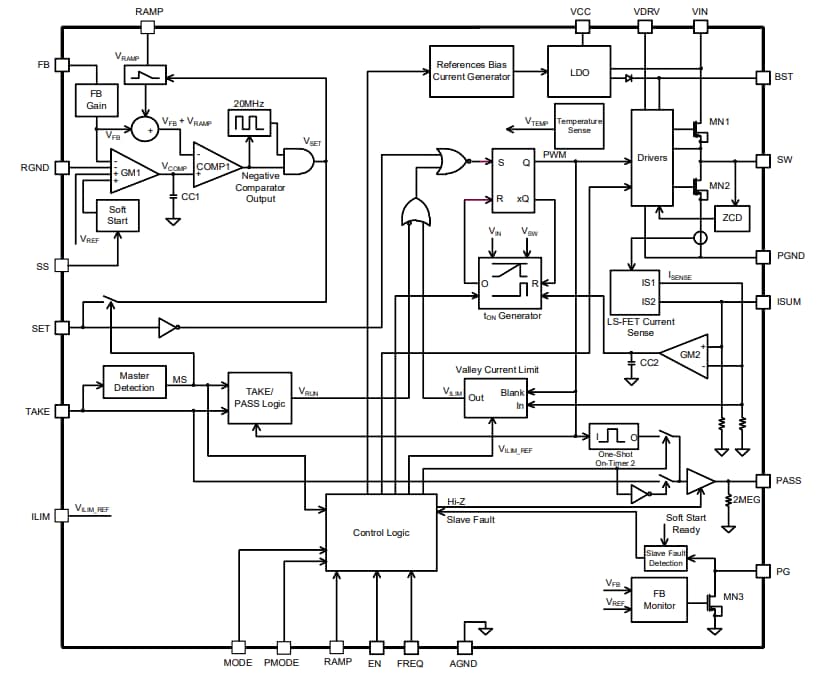
Block Diagram

Block Diagram - Monolithic Power Systems (MPS) MP8796 Step-Down Converters
Publicado: 2024-02-01 | Actualizado: 2024-03-01