Monolithic Power Systems (MPS) EVQ6541A-QK-00A Evaluation Board

Monolithic Power Systems (MPS) EVQ6541A-QK-00A Evaluation Board is designed to demonstrate the capabilities of the MPQ6541A, three-phase Brushless DC (BLDC) motor drivers. This evaluation board has three integrated half-bridges comprising six N-channel power MOSFETs. The rotor position information for the EVQ6541A-QK-00A evaluation board is provided by the Hall sensors assembled in the motor. This evaluation board driver control signals are generated via an external controller, such as a Microcontroller Unit (MCU) or Field-Programmable Gate Array (FPGA). The EVQ6541A-QK-00A evaluation board features integrated bidirectional current-sense amplifiers and supports 100% duty cycle operation. This evaluation board operates at a 4.75V to 40V input voltage range and 8A maximum output current. The EVQ6541A-QK-00A evaluation board is used in power drills, impact drivers, and Permanent Magnet Synchronous Motors (PMSMs).

Features

  • Integrated bidirectional current-sense amplifiers
  • Supports 100% duty cycle operation
  • High-Side (HS) and Low-Side (LS) logic inputs
  • Over-Current Protection (OCP) and Over Temperature Protection (OTP)
  • Fault indication

Specifications

  • 4.75V to 40V operating input voltage range
  • 8A maximum output current
  • 5.08cm x 5.08cm dimension
  • 3.3V or 5V reference voltage

Applications

  • Three-phase Brushless DC (BLDC) motors
  • Permanent Magnet Synchronous Motors (PMSMs)
  • Power drills
  • Impact drivers

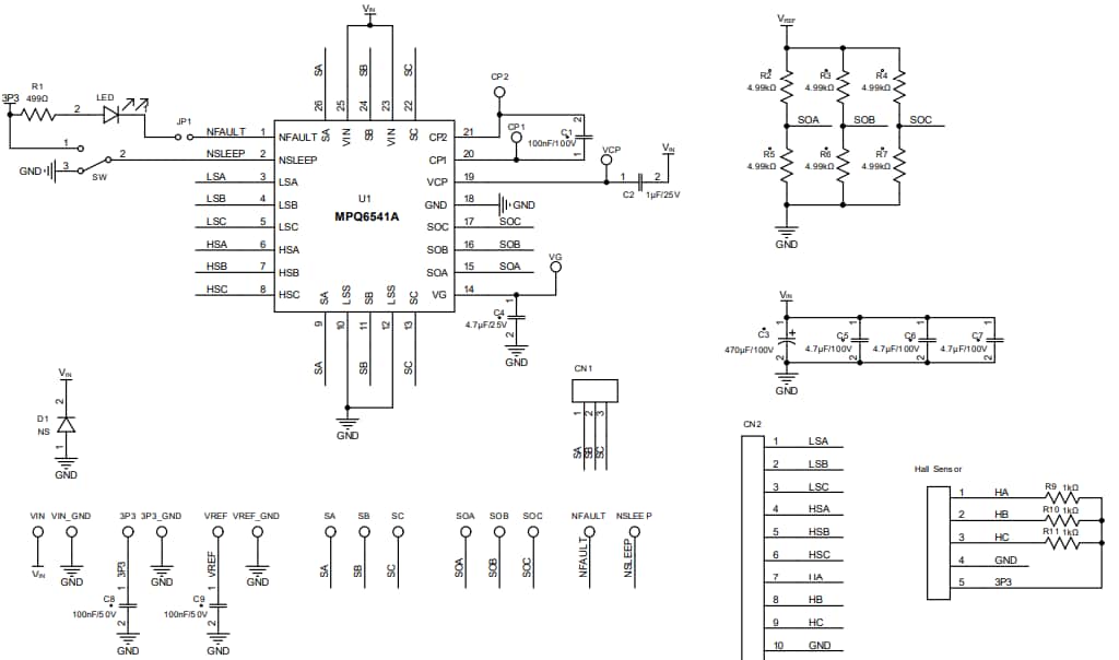
Schematic Diagram

Schematic - Monolithic Power Systems (MPS) EVQ6541A-QK-00A Evaluation Board
Publicado: 2024-01-18 | Actualizado: 2024-01-31