Monolithic Power Systems (MPS) EVM3695-20-PJ-00A Evaluation Board

Monolithic Power Systems (MPS) EVM3695-20-PJ-00A Evaluation Board is designed to evaluate the capabilities of MPM3695-20, a fully integrated, high-efficiency, synchronous step-down power module. This power module achieves up to 25A of continuous output current with excellent load/line regulation. The MPM3695-20 scalable integrated power module operates with high efficiency over a wide load range and can be paralleled to deliver a higher load current. This power module's switching frequency (fSW) can be set between 400kHz and 1MHz. The EVM3695-20-PJ-00A board is ideal for telecom and networking systems, industrial equipment, servers and computing, FPGAs/ASIC AI, and data mining.

Features

  • Wide input voltage (VIN) range from 3V:
    • 3V to 16V VIN with external VCC
    • 4V to 16V VIN with internal VCC
  • 0.5V to 5.5V output voltage (VOUT) range
  • 25A of continuous output current (IOUT)
  • Automatic interleaving for multi-phase operation
  • Automatic compensation with adaptive Multi-Phase Constant-On-Time (MCOT) for ultra-fast transient response
  • ±1% reference voltage (VREF) accuracy (-40°C to 125°C)
  • True VOUT remote sense
  • Pre-biased output
  • Telemetry readback including VIN, VOUT, IOUT, temperature, and faults
  • Built-in Multiple-Time Programmable (MTP) memory to store custom configurations
  • Configurable via the digital interface:
    • Current limit
    • Pulse-Skip Mode (PSM) or Continuous Conduction Mode (CCM) selection
    • Soft-Start Time (tSS)
    • Switching Frequency (fSW) selection:
    • 400kHz, 600kHz, 800kHz, or 1000kHz
    • Fault limits
    • Ramp compensation
  • Available in an ECLGA-29 (5mm x 6mm x 4.4mm) package

Applications

  • Telecom and networking systems
  • Industrial equipment
  • Servers and computing
  • FPGAs/ASIC AI and data mining

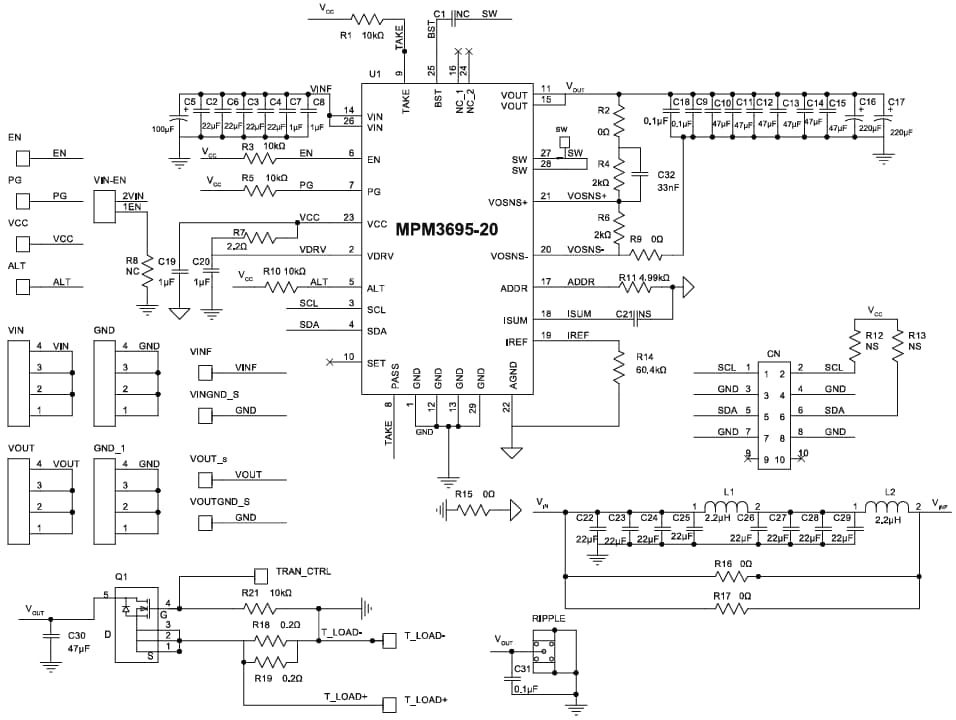
Schematic

Schematic - Monolithic Power Systems (MPS) EVM3695-20-PJ-00A Evaluation Board
Publicado: 2025-03-26 | Actualizado: 2025-04-30