Microchip Technology Ultrasound T/R Switch ICs

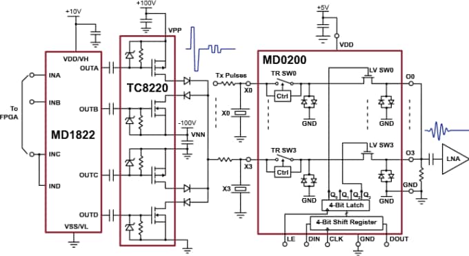
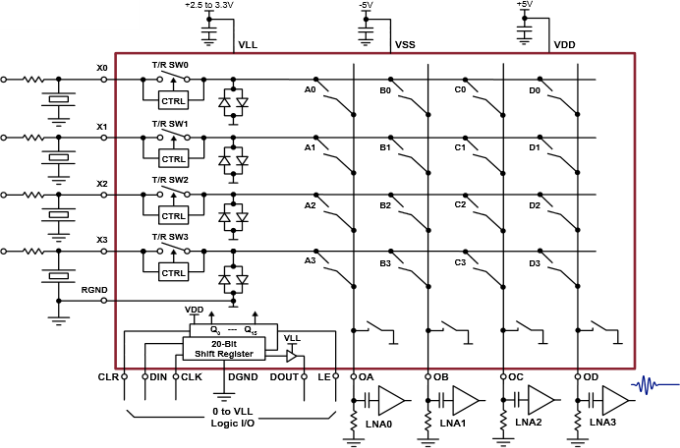
Microchip Ultrasound T/R Switch ICs deliver high voltage current limiting protection. Microchip Ultrasound T/R Switch ICs are designed to protect a low noise receiver from the high voltage transmit pulses in ultrasound applications and are commonly referred to as a T/R (transmit and receive) switch. Ultrasound T/R Switch ICs can be considered as a normally closed switch with a typical switch resistance of 15Ω, allowing small signals to pass. Once the voltage drop across the two terminals exceeds a nominal voltage, the device will start to turn off. In the off state, the MD0105 can withstand up to ±130V across its terminals, while the MD0101 can withstand ±100V. A small amount of current, typically 200μA, is allowed to flow through. Ultrasound T/R Switch ICs are not limited to just ultrasound applications. They can also be used for resettable fuses to protect power lines, output short circuit protection, and data acquisition.

Features

  • Fast switching speed
  • Four electrically isolated channels
  • No external supplies needed

Applications

  • Medical ultrasound imaging
  • NDT applications
  • Fast resettable fuses
  • High side switches
  • Data acquisition

Block Diagrams

View Results ( 2 ) Page
N.º de artículo Paquete / Cubierta Ancho de banda Hoja de datos Descripción
MD0105K6-G VDFN-18 100 MHz MD0105K6-G Hoja de datos Circuitos integrados de interruptor - Varios 4CH HV PROTECTION SWITCH
MD0101K6-G DFN-18 100 MHz MD0101K6-G Hoja de datos Circuitos integrados de interruptor - Varios HV PROTECTION SWITCH W/ CLAMP DIODES
Publicado: 2013-04-10 | Actualizado: 2022-03-11