Kingbright SA32 Single Digit Right-Angled Displays

Kingbright SA32 Single-Digital Right-Angled Displays are made with InGaN and Gallium Phosphide light-emitting diodes and are available in green and blue. The SA32 displays offer excellent character appearance with high light output and easy mounting on PC boards, or sockets. These LEDs are mechanically rugged and feature a 0.32-inch digit height, a black face, and a white segment. The SA32 single-digit displays comply with RoHS and operate at a -40°C to 85°C temperature range. Typical applications include home and smart appliances, display time and digital combination, industrial and instrumental equipment, and numeric status.

Features

  • 0.32-inch digit height
  • Excellence character appearance
  • High light output
  • Easy mounting on the PC board or sockets
  • 5V reverse voltage
  • Colors and wavelengths:
    • 465nm blue
    • 525nm and 568nm green
  • Available in Iv@10mA and 2mA low current options for energy-efficient designs
  • Mechanically rugged
  • Black face, white segment, and right-hand decimal, with easy mounting on P.C. boards or sockets
  • -40°C to 85°C operating temperature range
  • RoHS compliant

Applications

  • Home and smart appliances
  • Display time and digital combination
  • Industrial and instrumental applications
  • Numeric status

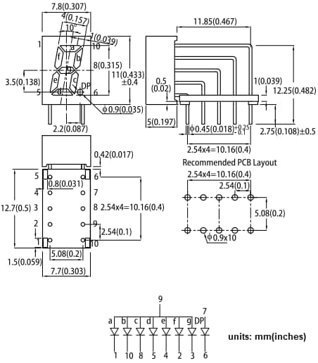
Dimension Diagram

Mechanical Drawing - Kingbright SA32 Single Digit Right-Angled Displays
View Results ( 4 ) Page
N.º de artículo If - Corriente directa Color de iluminación Intensidad luminosa Consumo de energía Vf - Tensión directa Longitud de onda
SA32-61QBWB-2BCB 10 mA Blue 13000 ucd 120 mW 3 V 465 nm
SA32-61GWB-2BCB 10 mA Green 12000 ucd 62.5 mW 2 V 568 nm
SA32-61LZGKWB-2BCB 2 mA Green 110000 ucd 102.5 W 2.65 V 525 nm
SA32-61ZGKWB-2BCB 10 mA Green 394000 ucd 102.5 mW 3 V 525 nm
Publicado: 2025-09-01 | Actualizado: 2025-10-05