Infineon Technologies Manifold Air Pressure (MAP) Sensors
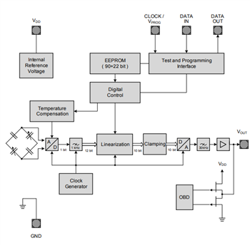
Infineon Technologies Manifold Air Pressure (MAP) Sensors are based on the capacitive principle. The MAP is an important parameter to compute the air-fuel ratio provided to the engine. These sensors are surface micromachined with a monolithic integrated signal conditioning circuit implemented in BiCMOS technology. The MAP sensors convert a pressure signal into an analog output signal. These sensors feature high precision sensing, ratiometric analog output, broken wire detection, clamping, automotive qualification, and a large temperature range. Typical applications include automotive, industrial control, consumer, medical, weather stations, and altimeters.Infineon Technologies KP275 MAP sensor is an accurate digital Turbo sensor that helps to achieve the targets of changing CO2 legislative requirements. This digital MAP sensor provides high quality and long lifetime and operates in harsh environments. The KP275 digital MAP sensor features integrated signal processing for an external temperature sensor, SENT protocol interface, and real 12-bit temperature and pressure resolution. Typical applications include automotive, industrial, consumer, and medical fields.
Features
- High-pressure sensing
- Ratiometric analog output
- Large temperature range
- Broken wire detection
- Clamping
- Automotive qualified
- "Green" 8-pin SMD housing
Applications
- Automotive applications (manifold air pressure measurement)
- Industrial control
- Consumer applications
- Medical applications
- Weather stations
- Altimeters
Publicado: 2019-01-07
| Actualizado: 2026-03-11
