Infineon Technologies IR38060 PMBus SupIRBuck™ DC-DC Regulator
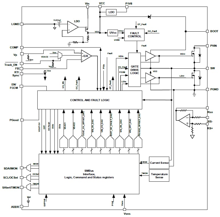
Infineon Technologies IR38060 PMBus SupIRBuck™ DC-DC Regulator is a highly integrated 6A single-input voltage, synchronous buck regulator with an I2C PMBus interface. The IR38060 also integrates a PWM controller and MOSFETs making the device a highly space-efficient solution, providing accurate power delivery for lowoutput voltage and high current applications.The IR38060 can be comprehensively configured via PMBus and the configuration stored in internal memory. In addition, PMBus commands allow run-time control, fault status, and telemetry.
The IR38060 can also operate as a standard analog regulator without any programming and can provide current and temperature telemetry in an analog format.
The Infineon Technologies IR38060 PMBus SupIRBuck DC-DC Regulator is offered in a compact 5mm x 6mm PQFN-26 package, ideal for space-constrained applications.
Features
- Internal LDO allows single 16V operation
- Output Voltage Range: 0.5V to 0.875 PVin
- 0.5% accurate Reference Voltage
- Programmable Switching Frequency up to 1.5MHz using Rt/Sync pin or PMBus
- Internal Soft-Start with Pre-Bias Start-up
- Enable input with Voltage Monitoring Capability
- Remote Sense Amplifier with True Differential Voltage Sensing
- Fast mode I2C and 400kHz PMBus interface
- Sequencing and tracking capable
- Selectable analog mode or digital mode
- Optional light load efficiency mode
- 66 PMBus commands for configuration, control, fault protection, and telemetry
- Thermally compensated current limit with configurable overcurrent responses
- External synchronization with Smooth Clocking
- Dedicated output voltage sensing protection remains active even when Enable is low
- Integrated MOSFETs and Bootstrap diode
- Operating junction temperature: -40°C<Tj<125°C
- 5mm x 6mm PQFN-26 package
- Pb-Free (RoHS Compliant)
Applications
- DC-DC
- Desktop and workstations
- Graphic boards
- Netcom and telecom
- Point of Load (PoL)
- Servers and storage
Typical Application Circuit
Block Diagram
Publicado: 2016-09-30
| Actualizado: 2026-03-09
