Infineon Technologies BTS3080TF Demonstration Board

Infineon Technologies BTS3080TF Demonstration Board evaluates the performance and features of the BTS3080TF Highly Integrated Temperature Protected MOSFET (HITFET™) switches. This demonstration board includes the BTS3080TF switch mounted on it with connectors for OUT, IN, and GND pins. The board is capable of driving one 12V resistive, capacitive, or inductive load. Infineon Technologies BTS3080TF Demonstration Board is RoHS compliant and operates within a 6V to 31V supply voltage range.

Features

  • Evaluates features and performance of BTS3080TF HITFET switches
  • BTS3080TF switch is mounted on board with connectors for OUT, IN, and GND pins
  • Can drive one 12V resistive, capacitive, or inductive load
  • 6V to 31V supply voltage range
  • RoHS compliant

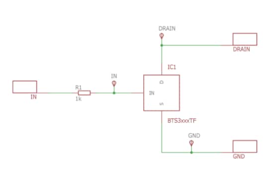
Schematic

Schematic - Infineon Technologies BTS3080TF Demonstration Board
Publicado: 2019-12-10 | Actualizado: 2024-01-23