Apacer Technology Inc. SV25P-CFast Flash Memory Cards

Apacer Technology Inc. SV25P-CFast Flash Memory Cards are designed without DRAM on the internal controlling unit. These memory cards utilize 3D NAND for a higher capacity of up to 960GB and deliver better power efficiency than 2D NAND. The SV25P-CFast cards come with a STATA 6Gb/s interface and include a SATA-based 7-pin signal segment. These memory cards consist of end-to-end data protection that ensures data integrity at multiple points in the path to allow reliable data transfers. The SV25P-CFast cards implement intelligent flash management algorithms to guarantee the reliability of applications in harsh environments. These memory cards also implement a Low-Density Parity Check (LDPC) ECC engine to extend SSD.

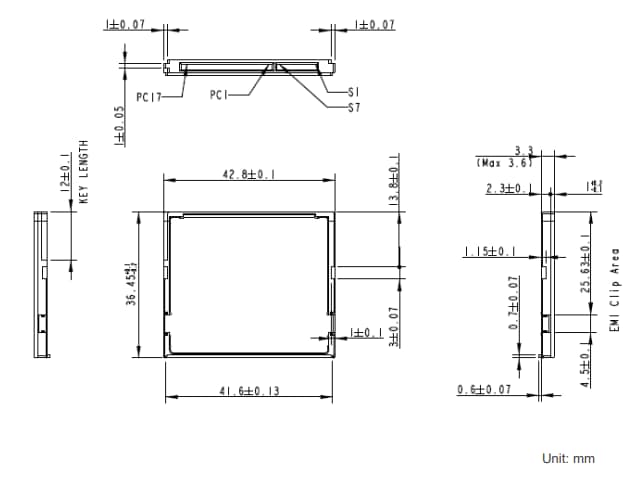
The SV25P-CFast cards deliver exceptional performance with data transfer rates up to 560MB/s in sequential read access and 69,000IOPS in 4KB random write purposes. These memory cards operate at a 3.3.V supply voltage and from -40°C to 85°C temperature range. The SV25P-CFast cards are RoHS compliant and are available in 42.80mm x 36.45mm x 3.60mm dimensions.

Features

  • Compliance with SATA revision 3.2:
    • SATA 6Gb/s interface
    • Backward compatible with SATA 1.5Gb/s and 3Gb/s interfaces
    • ATA-8 command set
  • Flash management:
    • Low-Density Parity Check (LDPC) code
    • Global wear leveling
    • Flash bad-block management
    • Page mapping flash translation layer
    • Self-Monitoring, Analysis, and Reporting Technology (S.M.A.R.T.)
    • Device sleep
    • ATA secure erase
    • TRIM
    • Hyper cache technology
    • Over-provisioning
    • DataRAID™
    • SMART read refresh™
  • 7-pin + 17-pin female connector type
  • MTBF: >3,000,000 hours
  •  Performance:
    • 600MB/s burst read/write
    • Up to 560MB/s sequential read
    • Up to 495MB/s sequential write
    • Up to 55,000IOPS random read (4K)
    • Up to 69,000IOPS random write (4K)
  • Endurance (Drive Writes Per Day (DWPD)):
    • 120GB: 2.12DWPD
    • 240GB: 2.13DWPD
    • 480GB: 2DWPD
    • 960GB: 1.3DWPD
  • AES 256-bit hardware encryption
  • Write protect switch (optional)
  • RoHS compliant

Specifications

  • 0°C to 70°C standard operating temperature range
  • -40°C to 85°C wide operating temperature range
  • -55°C to 100°C storage temperature range
  • Power consumption:
    • 385mA maximum in active mode
    • 75mA in idle mode
    • 3.3V supply voltage
  • Form factor:
    • CFast
    • 42.80mm x 36.45mm x 3.60mm dimensions
    • 9.25g ±5% net weight

Functional Block Diagram

Block Diagram - Apacer Technology Inc. SV25P-CFast Flash Memory Cards

Mechanical Diagram

Mechanical Drawing - Apacer Technology Inc. SV25P-CFast Flash Memory Cards
Publicado: 2023-05-30 | Actualizado: 2023-06-12